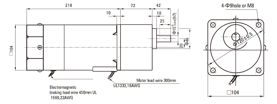
Motor Type: 6RK
Power: 200W
Voltage: 110-380V
Gearbox Ratio: 3-200K
|
Model ·Type Lead Wire Type |
Rating |
Output Power W |
Voltage V |
Frequency Hz |
Current A |
Starting Torque mN.m |
Rated Torque mN.m |
Rated Speed r/min |
Capacitor μF |
|
|
Pinion Shaft |
Round Shaft |
|||||||||
|
6RK200GU-AFM |
6RK200A-AFM |
30min |
200 |
1ph 100 |
50 |
3.20 |
900 |
1385 |
1250 |
45.0 |
|
60 |
3.50 |
1120 |
1550 |
|||||||
|
6RK200GU-EFM |
6RK200A-EFM |
30min |
200 |
1ph 110 |
60 |
2.75 |
850 |
1120 |
1550 |
35.0 |
|
1ph 120 |
2.65 |
|||||||||
|
6RK200GU-CFM |
6RK200A-CFM |
30min |
200 |
1ph 220 |
50 |
1.40 |
1100 |
1385 |
1250 |
12.0 |
|
1ph 230 |
||||||||||
|
6RK200GU-HFM |
6RK200A-HFM |
30min |
200 |
1ph 220 |
60 |
1.40 |
1000 |
1120 |
1550 |
12.0 |
|
1ph 230 |
||||||||||
|
6RK200GU-SFM |
6RK200A-SFM |
30min |
200 |
3ph 220 |
50 |
1.20 |
3400 |
1385 |
1250 |
- |
|
60 |
1.00 |
2700 |
1120 |
1550 |
||||||
|
6RK200GU-S3FM |
6RK200A-S3FM |
30min |
200 |
3ph 380 |
50 |
0.69 |
3400 |
1385 |
1250 |
- |
|
60 |
0.58 |
2700 |
1120 |
1550 |
||||||
|
Type |
Gear Ratio |
3 |
3.6 |
5 |
6 |
7.5 |
9 |
10 |
12.5 |
15 |
18 |
20 |
25 |
30 |
36 |
40 |
50 |
60 |
75 |
90 |
100 |
120 |
150 |
180 |
200 |
|
|
Speed r/min |
50Hz |
500 |
417 |
300 |
250 |
200 |
166 |
150 |
120 |
100 |
83 |
75 |
60 |
50 |
41 |
37 |
30 |
25 |
20 |
16 |
15 |
12.5 |
10 |
8.3 |
7.5 |
|
|
60Hz |
600 |
500 |
360 |
300 |
240 |
200 |
180 |
144 |
120 |
100 |
90 |
72 |
60 |
50 |
45 |
36 |
30 |
24 |
20 |
18 |
15 |
12 |
10 |
9 |
||
|
6RK200GU-AF□M |
6GU□K |
50Hz |
3.71 |
4.46 |
6.19 |
7.43 |
9.28 |
11.1 |
11.9 |
3.9 |
16.7 |
20.1 |
20.8 |
25.2 |
30.3 |
36.3 |
40.0 |
40.0 |
40.0 |
40.0 |
40.0 |
40.0 |
40.0 |
40.0 |
40.0 |
40.0 |
|
37.9 |
45.5 |
63.1 |
75.8 |
94.7 |
114 |
121 |
142 |
171 |
205 |
212 |
257 |
309 |
370 |
400 |
400 |
400 |
400 |
400 |
400 |
400 |
400 |
400 |
400 |
|||
|
60Hz |
2.99 |
3.59 |
4.99 |
5.99 |
7.49 |
8.98 |
9.70 |
11.2 |
13.5 |
16.2 |
17.2 |
20.3 |
24.4 |
29.3 |
40.0 |
40.0 |
40.0 |
40.0 |
40.0 |
40.0 |
40.0 |
40.0 |
40.0 |
40.0 |
||
|
30.6 |
36.7 |
50.9 |
61.1 |
76.4 |
91.7 |
98.9 |
115 |
138 |
165 |
175 |
207 |
249 |
299 |
400 |
400 |
400 |
400 |
400 |
400 |
400 |
400 |
400 |
400 |
|||
