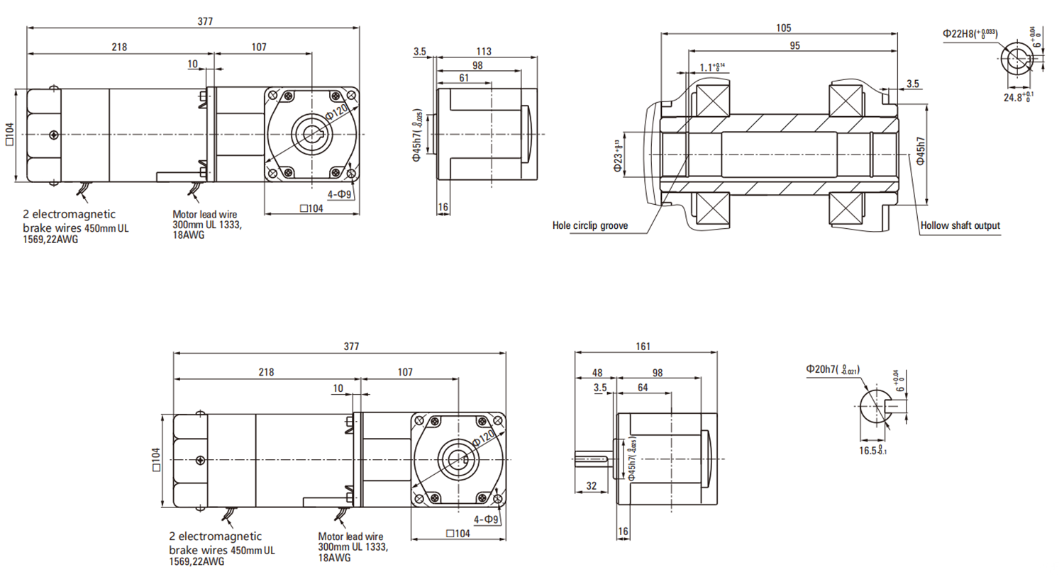
Motor Type: 6RK
Power: 140W
Voltage: 110-380V
Gearbox Ratio: 3-180K
|
Model ·Type Lead Wire Type |
Rating |
Output power W |
Voltage V |
Frequency Hz |
Current A |
Starting Torque mN.m |
Rated Torque mN.m |
Rated Speed r/min |
Capacitor μF |
|
Pinion Shaft |
|||||||||
|
6RK140GU-AFM |
30min |
140 |
1ph 100 |
50 |
2.70 |
700 |
1080 |
1250 |
35 |
|
60 |
3.00 |
870 |
1550 |
||||||
|
6RK140GU-EFM |
30min |
140 |
1ph 110 |
60 |
1.80 |
700 |
850 |
1550 |
25 |
|
1ph 120 |
1.95 |
||||||||
|
6RK140GU-CFM |
30min |
140 |
1ph 220 |
50 |
1.05 |
850 |
1040 |
1250 |
10 |
|
1ph 230 |
1.15 |
||||||||
|
6RK140GU-HFM |
30min |
140 |
1ph 220 |
60 |
1.05 |
750 |
850 |
1550 |
10 |
|
1ph 230 |
1.15 |
||||||||
|
6RK140GU-SM |
30min |
140 |
3ph 220 |
50 |
0.85 |
2700 |
1080 |
1250 |
- |
|
60 |
0.75 |
2200 |
870 |
1550 |
|||||
|
6RK140GU-S3M |
30min |
140 |
3ph 380 |
50 |
0.49 |
2700 |
1080 |
1250 |
- |
|
60 |
0.43 |
2200 |
870 |
1550 |
|
Type Motor/Gearhead |
Gear Ratio |
3 |
3.6 |
5 |
6 |
7.5 |
9 |
10 |
12.5 |
15 |
18 |
20 |
25 |
30 |
36 |
40 |
50 |
60 |
75 |
90 |
100 |
120 |
150 |
180 |
||
|
Speed r/min |
50Hz |
500 |
417 |
300 |
250 |
200 |
166 |
150 |
120 |
100 |
83 |
75 |
60 |
50 |
42 |
37 |
30 |
25 |
20 |
16 |
15 |
12 |
10 |
8 |
||
|
60Hz |
600 |
500 |
360 |
300 |
240 |
200 |
180 |
144 |
120 |
100 |
90 |
72 |
60 |
50 |
45 |
36 |
30 |
24 |
20 |
18 |
15 |
12 |
10 |
|||
|
6RK140GUAF□M 6RK140GUF□M 6RK140GUCFOM 6RK140GUH□M 6RK140GUSF□M 6RK140GUS3F□M |
6GU□RC 6GU□RT |
Allowance Torque |
50Hz- |
1.75 |
2.11 |
2.92 |
3.01 |
4.97 |
5.85 |
6.5 |
9.21 |
11.0 |
11.7 |
13.0 |
18.4 |
22.1 |
23.4 |
26.0 |
33.1 |
39.8 |
49.7 |
59.6 |
60.0 |
60.0 |
60.0 |
60.0 |
|
17.2 |
20.6 |
28.7 |
29.5 |
50.7 |
57.3 |
63.7 |
93.9 |
113 |
115 |
127 |
188 |
225 |
229 |
255 |
338 |
406 |
507 |
600 |
600 |
600 |
600 |
600 |
||||
|
1.46 |
1.75 |
2.44 |
2.92 |
4.01 |
4.87 |
5.41 |
7.42 |
8.91 |
9.75 |
10.8 |
14.8 |
17.8 |
19.5 |
21.7 |
26.7 |
32.1 |
40.1 |
48.1 |
53.4 |
60.0 |
60.0 |
60.0 |
||||
|
14.3 |
17.2 |
23.9 |
28.7 |
40.9 |
47.8 |
53.1 |
75.8 |
90.9 |
95.5 |
106 |
152 |
182 |
191 |
212 |
273 |
327 |
409 |
491 |
545 |
600 |
600 |
600 |
||||
