Motor Type: BL60
Power: 60W
Voltage: 24V & 48V
Max Speed: 3.4-154.8 M/min
External Drum material: 304 stainless steel pipe, rubber coated, Carbon steel pipe
|
Rated Power P |
Gear Box Series |
Reduction Ratio |
Linear Velocity |
Rated Speed n RPM |
Rated Torque T |
Traction F N |
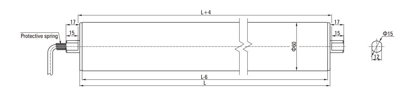
Length L |
Belt line |
|
60 |
1 |
3.65 |
154.8 |
821.92 |
0.63 |
20.91 |
290-1500 |
315 |
|
5.36 |
105.4 |
559.70 |
0.92 |
30.71 |
||||
|
6.55 |
86.3 |
458.02 |
1.13 |
37.53 |
||||
|
8.63 |
65.5 |
347.62 |
1.48 |
49.45 |
||||
|
2 |
13.53 |
41.8 |
221.73 |
2.09 |
69.77 |
305-1500 |
330 |
|
|
18.92 |
29.9 |
158.56 |
2.93 |
97.57 |
||||
|
24.65 |
22.9 |
121.70 |
3.81 |
127.12 |
||||
|
33.92 |
16.7 |
88.44 |
5.25 |
174.93 |
||||
|
44.69 |
12.6 |
67.13 |
6.91 |
230.47 |
||||
|
3 |
67.08 |
8.4 |
44.72 |
9.350 |
311.77 |
320-1500 |
345 |
|
|
91.36 |
6.2 |
32.84 |
12.74 |
424.61 |
||||
|
165.64 |
3.4 |
18.11 |
23.10 |
769.84 |
