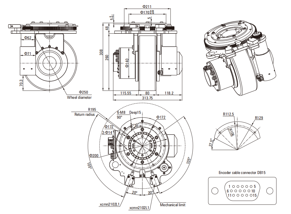
Motor Type: Steering Wheel
Voltage: 48V DC
Power: 1500W
|
Table of basic performance parameters of steering wheel drive motor |
|
|
Rated voltage |
48V DC |
|
Rated power |
1500W |
|
Rated current |
39A±10% |
|
Rated speed |
3000rpm |
|
Rated torque |
4.775N.m |
|
Working day |
S2(60min) |
|
Insulation grade |
F |
|
Level of protection |
IP54 |
|
Deceleration ratio |
30 |
|
The brake torque |
8N.m |
|
Encoder |
Incremental 2500-line optical encoder |
|
Use ambient temperature |
0~40℃ |
|
Noise |
≤58dB(A)L=1m |
|
Brake voltage V |
48 |
|
Steering motor parameter table |
|
|
Rated voltage |
48V DC |
|
Rated power |
400W |
|
Rated speed |
3000rpm |
|
Rated torque |
28.93N.M |
|
Deceleration ratio |
28.05 |
|
Encoder |
Incremental 2500 line |
|
(Deg/sec)To speed |
106.95 |
|
Whole unit parameter table |
|
|
Rotation radius |
200 |
|
Linear velocity m/min |
78.5 |
|
Wheels can withstand positive pressure kg |
1500 |
|
Tractive force N |
928 |
