Motor Type: Z90DPM
Voltage: 24V DC
Power: 400W
|
Type |
Z90DPM24400-32S |
Gearbox direction |
Same as motor |
|
Rated voltage |
24V DC |
||
|
Rated power |
400W |
Bearing type |
Ball bearing |
|
Rated current |
24A±10% |
Gearbox structure |
Integrated |
|
Rated speed |
3200rpm±10% |
Efficiency |
81% |
|
Rated torque |
1.19N.m |
Gearbox output torque |
30.5N.m |
|
Noload current |
≤5.0A |
Gearbox rated torque |
120N.m |
|
Noload speed |
3700rpm±10% |
Gearbox max torque |
2 x rated |
|
Work duty |
S2(10min) |
||
|
Insulation resistance |
>20MΩ |
Ambient temperature |
-10℃~+40℃ |
|
Brush life |
1500h |
Noise |
<60dB(L=100cm) |
|
Electrical strength |
660V/S |
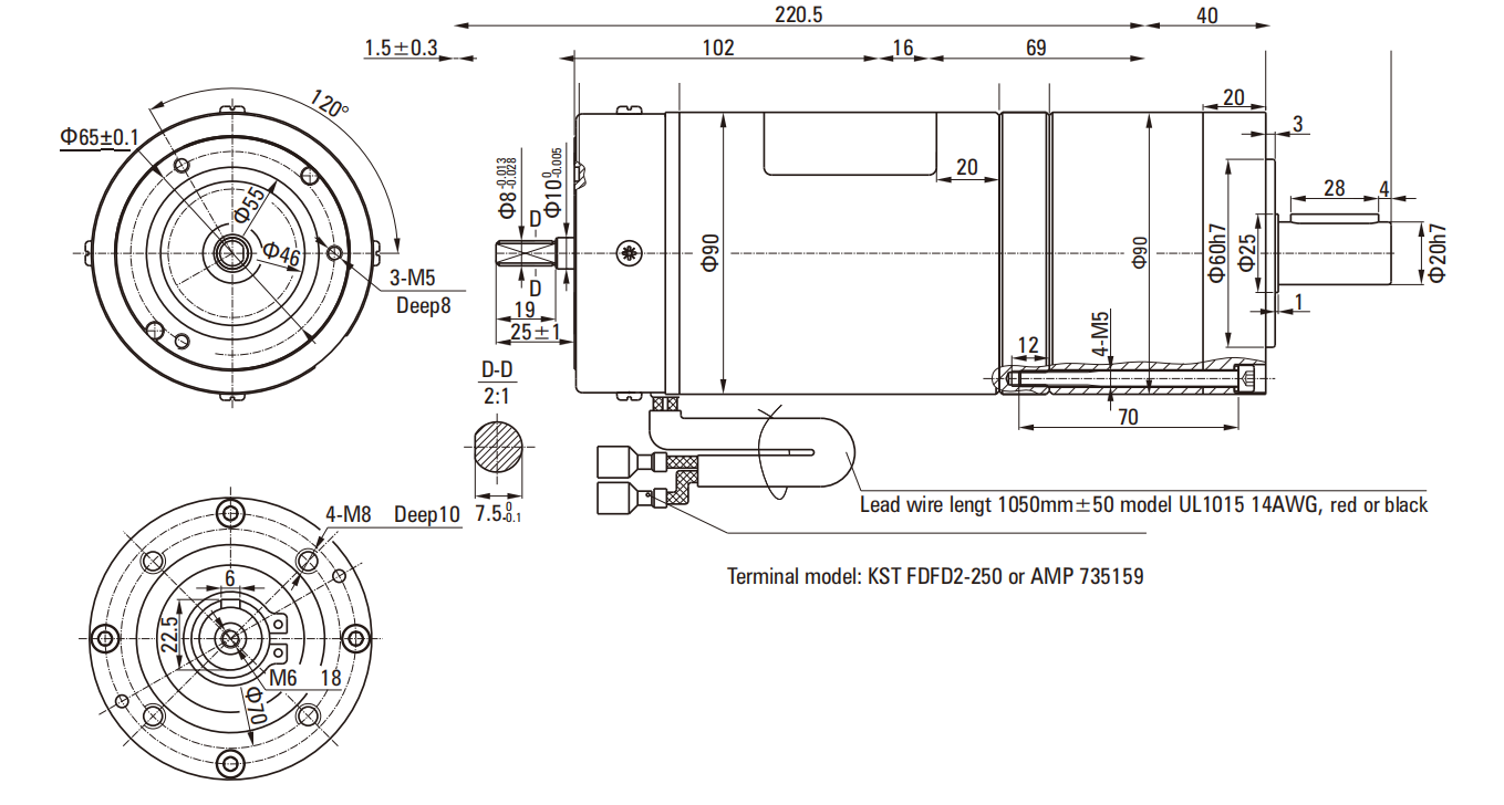
Wire diagram |
|
|
Insulation class |
B |
||
|
Protection grade |
IP20 |
||
|
Gearbox spec |
|||
|
Reduction stage |
90PM32K |
||
|
减速级数Reduction stage |
2 |
