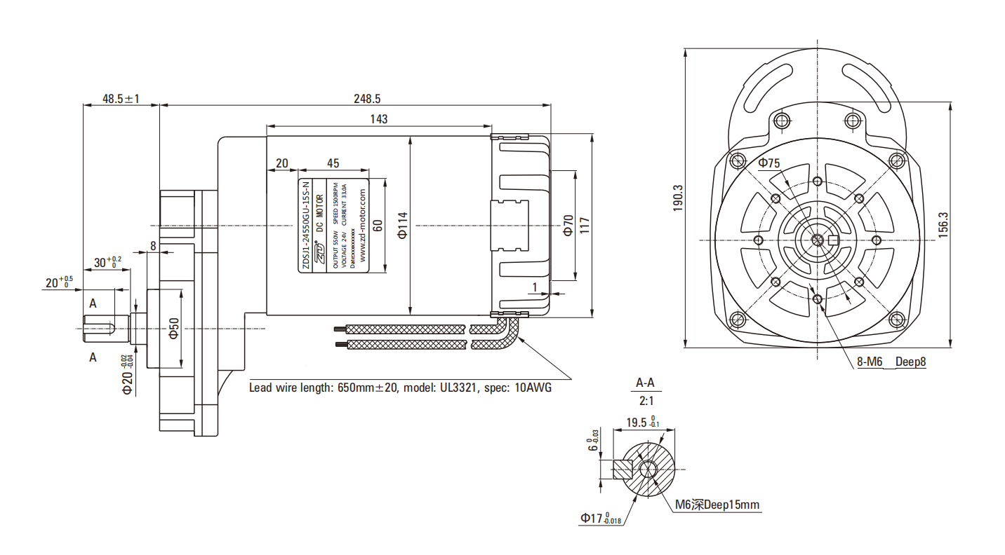
Motor Type: Brush Machine
Voltage: 24V DC
Power: 550W
|
Type |
ZDSJ1-24550GU-15S-N-00001 | Protection grade | IP00 |
|
Rated voltage |
24V DC | Ambient temperature | -10℃~+40℃ |
|
Rated power |
550W | Noise | <65dB(L=100cm) |
|
Rated current |
33A | Ratio | 10:1 |
|
Rated speed |
1500rpm±10% | Gearbox rated torque | 31.5N.m |
|
Rated torque |
3.5N.m | ||
|
Noload current |
≤5.5A | Efficiency | 90% |
|
Noload speed |
1900rpm±10% | Wire diagram | ![]() |
|
Work duty |
S1 | ||
|
Insulation resistance |
>20MΩ | ||
|
Brush life |
1500h | ||
|
Electrical strength |
660V/S | ||
|
Insulation class |
B |
