|
Model number |
Motor type |
Type of reducer |
Ratio |
|
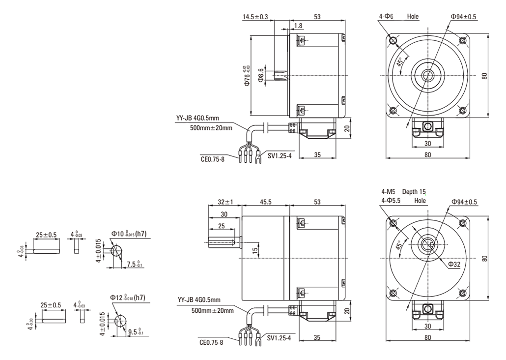
M4BLD40-220GK-20S/4GN□K2 |
M4BLD40-220GK-20S |
4GN□K2 |
5~100 |
|
Output power |
Ratio |
5 |
10 |
15 |
20 |
30 |
50 |
100 |
|
40W |
100~2000rpm |
0.77 |
1.55 |
2.32 |
3.09 |
4.18 |
6.96 |
12.00 |
