Motor Type:5RK
Power:60W
Voltage:110-380V
Gearbox Ratio:3-180K
|
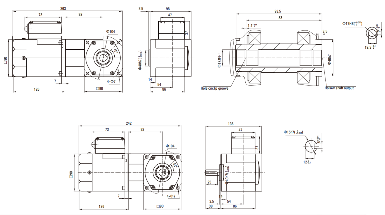
Model ·Type Upper:Pinion Shaft Below:Round Shaft |
Output power W |
Voltage V |
Frequency Hz |
Current A |
Starting Torque mN.m |
Rated Torque mN.m |
Rated Speed r/min |
Capacitor μF |
|
|
Lead Wire Type Dimensions① |
Terminal Box Type Dimensions② |
||||||||
|
5RK60GU-AF |
5RK60GU-AFT |
60 |
1ph 100 |
50 |
1.26 |
470 |
470 |
1250 |
25 |
|
60 |
1.70 |
380 |
1550 |
||||||
|
5RK60GU-EF |
5RK60GU-EFT |
60 |
1ph 110 |
60 |
1.05 |
330 |
380 |
1550 |
15 |
|
1ph 120 |
380 |
||||||||
|
5RK60GU-CF |
5RK60GU-CFT |
60 |
1ph 220 |
50 |
0.55 |
420 |
470 |
1250 |
4.5 |
|
1ph 230 |
0.60 |
460 |
|||||||
|
5RK60GU-HF |
5RK60GU-HFT |
60 |
1ph 220 |
60 |
0.55 |
420 |
380 |
1550 |
4.5 |
|
1ph 230 |
0.60 |
460 |
|||||||
|
Type Motor/Gearhead |
Gear Ratio |
3 |
3.6 |
5 |
6 |
7.5 |
9 |
10 |
12.5 |
15 |
18 |
20 |
25 |
30 |
36 |
50 |
60 |
75 |
90 |
100 |
120 |
150 |
180 |
||
|
Speed r/min |
50Hz |
500 |
417 |
300 |
250 |
200 |
166 |
150 |
120 |
100 |
83 |
75 |
60 |
50 |
42 |
30 |
25 |
20 |
16 |
15 |
12 |
10 |
8 |
||
|
60Hz |
600 |
500 |
360 |
300 |
240 |
200 |
180 |
144 |
120 |
100 |
90 |
72 |
60 |
50 |
36 |
30 |
24 |
20 |
18 |
15 |
12 |
10 |
|||
| 5RK60GU-AF□ 5RK6OGU-F口 5RK6OGU-CF□ 5RK6OGUHF□ |
5GU□RC 5GU□RT |
Allowance Torque |
50Hz |
0.75 |
0.90 |
1.25 |
1.50 |
2.37 |
2.76 |
3.06 |
3.95 |
4.73 |
5.51 |
6.13 |
7.89 |
9.47 |
10.2 |
14.2 |
17.0 |
20.0 |
20.0 |
20.0 |
20.0 |
20.0 |
20.0 |
|
7.37 |
8.84 |
12.3 |
14.7 |
24.2 |
27.0 |
30.0 |
40.3 |
48.3 |
54.0 |
60.0 |
80.5 |
96.6 |
104 |
145 |
174 |
200 |
200 |
200 |
200 |
200 |
200 |
||||
|
60Hz- |
0.63 |
0.75 |
1.04 |
1.25 |
1.91 |
2.30 |
2.55 |
3.18 |
3.82 |
4.59 |
5.11 |
6.36 |
7.64 |
8.25 |
11.5 |
13.7 |
17.2 |
20.0 |
20.0 |
20.0 |
20.0 |
20.0 |
|||
|
6.14 |
7.37 |
10.2 |
12.3 |
19.5 |
22.5 |
25.0 |
32.5 |
39.0 |
45.0 |
50.0 |
64.9 |
77.9 |
84.1 |
117 |
140 |
175 |
200 |
200 |
200 |
200 |
200 |
||||
