Motor Type: Horizonal&Vertical
Power: 3HP
Voltage: 1-Phase&3-Phase 220-380V
Gearbox Ratio: 3-100
|
Power |
Box Number |
Ratio |
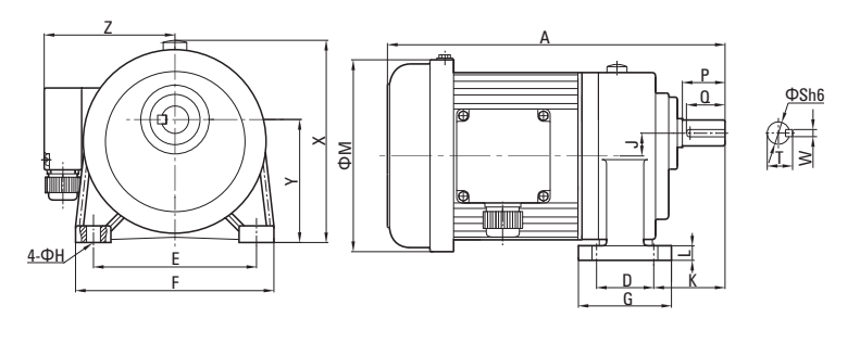
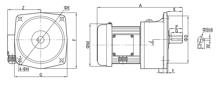
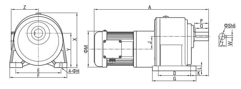
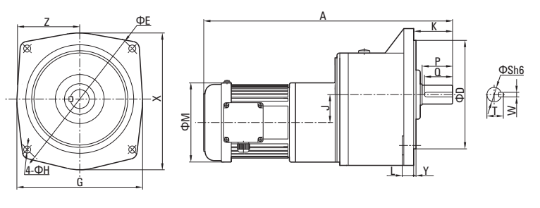
A |
D |
E |
F |
G |
H |
J |
K |
L |
M |
X |
Y |
Z |
S |
P |
Q |
W |
T |
Weight |
|
2200W 3HP |
5# |
3-40 Standard type |
518 |
150(230) |
210(310) |
265(277) |
203(255) |
15 |
36 |
83 |
20(18) |
192 |
255(/) |
160(5) |
137 |
40 |
65 |
60 |
10 |
43.5 |
58.0 |
|
45-80 Light duty type |
518 |
150(230) |
210(310) |
265(277) |
203(255) |
15 |
36 |
83 |
20(18) |
192 |
255(/) |
160(5) |
137 |
40 |
65 |
60 |
10 |
43.5 |
58.0 |
||
|
6# |
45-100 Standard type |
575 |
170(280) |
265(390) |
335(367) |
238(342) |
18 |
51 |
97(92) |
25 |
192 |
312(/) |
200(5) |
137 |
50 |
80 |
75 |
14 |
54 |
97.0 |
|
Power |
Box Number |
Type |
Speed frequency ratio |
3 |
5 |
10 |
15 |
20 |
25 |
30 |
40 |
45 |
50 |
60 |
70 |
80 |
90 |
100 |
120 |
140 |
*160 |
*180 |
*200 |
|
2200W 3HP |
5# |
Standard type |
50Hz |
3.70 |
6.20 |
12.4 |
16.7 |
22.3 |
27.9 |
33.5 |
44.7 |
/ |
/ |
/ |
/ |
/ |
/ |
/ |
/ |
/ |
/ |
/ |
/ |
|
60Hz |
3.10 |
5.10 |
10.2 |
13.8 |
18.4 |
23.0 |
27.6 |
36.8 |
/ |
/ |
/ |
/ |
/ |
/ |
/ |
/ |
/ |
/ |
/ |
/ |
|||
|
Light duty type |
50Hz |
/ |
/ |
/ |
/ |
/ |
/ |
/ |
44.7 |
50.2 |
55.8 |
67.0 |
78.1 |
83.7 |
/ |
/ |
/ |
/ |
/ |
/ |
/ |
||
|
60Hz |
/ |
/ |
/ |
/ |
/ |
/ |
/ |
36.8 |
41.4 |
46.0 |
55.2 |
64.4 |
73.5 |
/ |
/ |
/ |
/ |
/ |
/ |
/ |
|||
|
6# |
Standard type |
50Hz |
/ |
/ |
/ |
/ |
/ |
/ |
/ |
/ |
50.20 |
55.80 |
67.00 |
78.10 |
89.30 |
100.5 |
111.6 |
/ |
/ |
/ |
/ |
/ |
|
|
60Hz |
/ |
/ |
/ |
/ |
/ |
/ |
/ |
/ |
41.40 |
46.00 |
55.20 |
64.40 |
73.50 |
82.70 |
91.90 |
/ |
/ |
/ |
/ |
/ |



