特点:
高精度、专为伺服、步进电机设计
无间隙的轴和轴套连接,适用于正反转
低惯量,适用于高速运转
膜片采用不锈钢制成,抗疲劳性特好
夹紧紧固方式
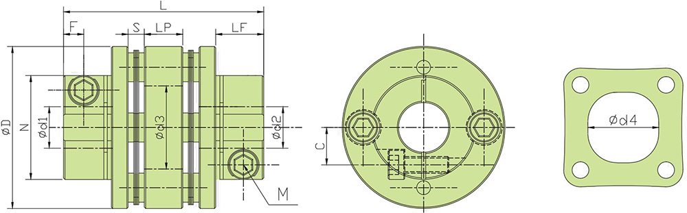
外型尺寸 (单位): mm
|
型号 |
ØD |
ØN |
L |
L1 |
C |
LF |
Ød3 |
Ød4 |
S |
F |
紧固扭矩(N ·M) |
|
CLT-34×38 |
Ø34 |
Ø21.6 |
39.3 |
3 |
7.8 |
12.25 |
Ø16 |
Ø14.5 |
3.9 |
3.85 |
3 |
|
CLT-39×48 |
Ø39 |
Ø25 |
48 |
4 |
9 |
15.5 |
Ø19 |
Ø17 |
3.9 |
4.85 |
7 |
|
CLT-44×48 |
Ø44 |
Ø29.6 |
48 |
4 |
11.3 |
15.5 |
Ø22 |
Ø20.5 |
3.9 |
4.85 |
7 |
|
CLT-56×65 |
Ø56 |
Ø38 |
64.6 |
5 |
14.6 |
19.75 |
Ø25 |
Ø26 |
5.8 |
6.4 |
10 |
|
CLT-68×76 |
Ø68 |
Ø46 |
76.2 |
6 |
16.5 |
23.35 |
Ø36 |
Ø36 |
6.9 |
7.7 |
15 |
|
CLT-82×99 |
Ø82 |
Ø56 |
98.8 |
8 |
20.5 |
30 |
Ø42 |
Ø41 |
8.4 |
9.7 |
30 |
|
CLT-94×110 |
Ø94 |
Ø68 |
109.8 |
10 |
26 |
35 |
Ø51 |
Ø51 |
8.9 |
11.25 |
30 |
|
CLT-104×110 |
Ø104 |
Ø78 |
109.8 |
10 |
30 |
35 |
Ø61 |
Ø61 |
8.9 |
11.25 |
30 |
技术参数
|
型号 |
额定扭矩(N ·M) |
最大扭矩(N ·M) |
容许径向(mm) |
容许角向(°) |
容许轴向(mm) |
最高转速(rpm) |
静态扭转刚度(N ·Mrad) |
惯性矩(kg ·M²) |
轴套材质 |
弹性体材质 |
表面处理 |
重量(g) |
|
CLT-34×38 |
5 |
10 |
0.17 |
1.5° |
±0.36 |
10000 |
1860 |
9.0×10⁻⁴ |
AL6061-T6 高强度铝合金 |
SUS 304 |
氧化处理 |
49 |
|
CLT-39×48 |
9 |
18 |
0.22 |
1.5° |
±0.45 |
10000 |
2860 |
243×10⁻⁵ |
85 |
|||
|
CLT-44×48 |
12 |
24 |
0.22 |
1.5° |
±0.54 |
10000 |
3300 |
3.08×10⁻⁵ |
107 |
|||
|
CLT-56×65 |
25 |
50 |
0.27 |
1.5° |
±0.72 |
10000 |
9480 |
1.3×10⁻⁴ |
196 |
|||
|
CLT-68×76 |
60 |
120 |
0.31 |
1.5° |
±0.8 |
9000 |
19000 |
1.62×10⁻⁴ |
374 |
|||
|
CLT-82×99 |
100 |
200 |
0.35 |
1.5° |
±0.8 |
8000 |
28450 |
2.02×10⁻⁴ |
645 |
|||
|
CLT-94×110 |
160 |
320 |
0.35 |
1.5° |
±0.8 |
7000 |
80000 |
2.2×10⁻⁴ |
1076 |
|||
|
CLT-104×110 |
210 |
420 |
0.35 |
1.5° |
±0.8 |
7000 |
100000 |
2.6×10⁻⁴ |
1318 |
注:以上技术参数由最大孔径规格测得
标准轴径
|
型号 |
标准轴径(ØD1、ØD2)mm |
||||||||||||||||||||||||||||
|
6 |
6.36 |
7 |
8 |
9 |
9.52 |
10 |
11 |
12 |
12.7 |
14 |
15 |
16 |
17 |
18 |
19 |
20 |
22 |
24 |
25 |
28 |
30 |
32 |
35 |
38 |
40 |
42 |
45 |
50 |
|
|
CLT-34×38 |
● |
● |
● |
● |
● |
● |
● |
||||||||||||||||||||||
|
CLT-39×48 |
● |
● |
● |
● |
● |
● |
● |
● |
|||||||||||||||||||||
|
CLT-44×48 |
● |
● |
● |
● |
● |
● |
● |
● |
● |
● |
|||||||||||||||||||
|
CLT-56×65 |
● |
● |
● |
● |
● |
● |
● |
● |
● |
● |
|||||||||||||||||||
|
CLT-68×76 |
● |
● |
● |
● |
● |
● |
● |
● |
● |
||||||||||||||||||||
|
CLT-82×99 |
● |
● |
● |
● |
|||||||||||||||||||||||||
|
CLT-94×110 |
● |
● |
● |
● |
● |
● |
● |
● |
|||||||||||||||||||||
|
CLT-104×110 |
● |
● |
● |
● |
● |
● |
● |
● |
● |
● |
● |
||||||||||||||||||

