特点:
高精度、专为伺服、步进电机设计
无间隙的轴和轴套连接,适用于正反转
低惯量,适用于高速运转
膜片采用不锈钢制成,抗疲劳性特好
夹紧紧固方式
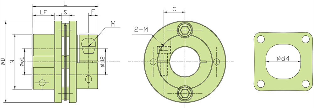
外型尺寸 (单位): mm
|
型号 |
d1, d2, Bore |
ØD |
ØN |
L |
L1 |
C |
LF |
Ød4 |
S |
F |
M |
紧固扭矩(N ·M) |
|
CST-34×28.5 |
6,6,35,7,8,9,9.525,10 |
Ø34 |
Ø21.6 |
28.4 |
3 |
7.8 |
12.25 |
Ø14.5 |
3.9 |
3.85 |
2-M3×10 |
3 |
|
CST-39×34.5 |
8,9,9.525,10,11,12,14 |
Ø39 |
Ø25 |
34.9 |
4 |
9 |
15.5 |
Ø17 |
3.9 |
4.85 |
2-M4×12 |
7 |
|
CST-44×34.5 |
8,9,9.525,10,11,12,12,7,14,15,16 |
Ø44 |
Ø29.6 |
34.9 |
4 |
11.3 |
15.5 |
Ø20.5 |
3.9 |
4.85 |
2-M4×12 |
7 |
|
CST-56×45 |
12,14,15,16,18,19,20,22 |
Ø56 |
Ø38 |
45.6 |
5 |
14.6 |
19.75 |
Ø26 |
5.8 |
6.4 |
2-M5×16 |
10 |
|
CST-68×54 |
15,16,19,20,22,24,25 |
Ø68 |
Ø46 |
53.6 |
6 |
16.5 |
24 |
Ø36 |
6.9 |
7.7 |
2-M6×25 |
15 |
|
CST-82×69 |
20,22,24,28,30 |
Ø82 |
Ø56 |
68.4 |
8 |
20.5 |
30 |
Ø41 |
8.4 |
9.7 |
2-M8×30 |
30 |
|
CST-94×79 |
25,28,30,32,35,38,40 |
Ø94 |
Ø68 |
78.9 |
10 |
26 |
35 |
Ø51 |
8.9 |
11.25 |
2-M8×30 |
30 |
|
CST-104×79 |
25,28,30,32,35,38,40,42,45,50 |
Ø104 |
Ø78 |
78.9 |
10 |
30 |
35 |
Ø61 |
8.9 |
11.25 |
2-M8×30 |
30 |
技术参数
|
型号 |
额定扭矩(N ·M) |
最大扭矩(N ·M) |
容许径向(mm) |
容许角向(°) |
容许轴向(mm) |
最高转速(rpm) |
Static torsional siffness(N ·Mrad) |
Moment of inertia(kg ·M²) |
轴套材质 |
弹性体材质 |
表面处理 |
重量(g) |
|
CST-34×28.5 |
5 |
10 |
0.1 |
1° |
±0.2 |
10000 |
2550 |
6.48×10⁻⁶ |
AL6061-T6 |
SUS 304 |
阳极氧化处理 |
30 |
|
CST-39×34.5 |
9 |
18 |
0.1 |
1° |
±0.2 |
10000 |
3900 |
1.78×10⁻⁶ |
52 |
|||
|
CST-44×34.5 |
12 |
24 |
0.12 |
1° |
±0.3 |
10000 |
4500 |
2.27×10⁻⁵ |
68.5 |
|||
|
CST-56×45 |
25 |
50 |
0.18 |
1° |
±0.4 |
10000 |
12900 |
9.7×10⁻³ |
135 |
|||
|
CST-68×54 |
60 |
120 |
0.2 |
1° |
±0.5 |
9000 |
25800 |
1.2×10⁻⁴ |
246 |
|||
|
CST-82×69 |
100 |
200 |
0.2 |
1° |
±0.5 |
8000 |
38700 |
1.45×10⁻⁴ |
422 |
|||
|
CST-94×79 |
160 |
320 |
0.2 |
1° |
±0.5 |
7000 |
100000 |
1.6×10⁻⁴ |
760 |
|||
|
CST-104×79 |
210 |
420 |
0.2 |
1° |
±0.5 |
7000 |
120000 |
1.9×10⁻⁴ |
910 |
注:以上技术参数由最大孔径规格测得
标准轴径
|
型号 |
标准轴径(ØD1、ØD2)mm |
||||||||||||||||||||||||||||
|
6 |
6.36 |
7 |
8 |
9 |
9.52 |
10 |
11 |
12 |
12.7 |
14 |
15 |
16 |
17 |
18 |
19 |
20 |
22 |
24 |
25 |
28 |
30 |
32 |
35 |
38 |
40 |
42 |
45 |
50 |
|
|
CST-34×28.5 |
● |
● |
● |
● |
● |
● |
● |
||||||||||||||||||||||
|
CST-39×34.5 |
● |
● |
● |
● |
● |
● |
● |
● |
|||||||||||||||||||||
|
CST-44×34.5 |
● |
● |
● |
● |
● |
● |
● |
● |
● |
● |
|||||||||||||||||||
|
CST-56×45 |
● |
● |
● |
● |
● |
● |
● |
● |
● |
● |
|||||||||||||||||||
|
CST-68×54 |
● |
● |
● |
● |
● |
● |
● |
● |
● |
||||||||||||||||||||
|
CST-82×69 |
● |
● |
● |
● |
● |
● |
|||||||||||||||||||||||
|
CST-94×79 |
● |
● |
● |
● |
● |
● |
● |
● |
|||||||||||||||||||||
|
CST-104×79 |
● |
● |
● |
● |
● |
● |
● |
● |
● |
● |
● |
||||||||||||||||||

