Product Type: Helical Gear Planetary Gearbox
Product Size: 42-180
Reduction Ratio: Stage 1: 3-10
Stage 2: 15-100
Backlash: Stage 1: ≤5 arcmin
Stage 2: ≤7 arcmin
|
Reducer Rotation Inertia Gauge Table |
||||||||
|
Specification |
Unit |
Stage |
Ratio |
PGH60 |
PGH90 |
PGH115 |
PGH142 |
PGH180 |
|
Rotational inertia meter |
kg/cm² |
1 |
3 |
0.03 |
0.16 |
0.61 |
9.21 |
28.98 |
|
4 |
0.03 |
0.14 |
0.48 |
7.54 |
23.67 |
|||
|
5 |
0.03 |
0.13 |
0.47 |
7.42 |
53.27 |
|||
|
6 |
0.13 |
0.45 |
7.25 |
|||||
|
7 |
0.03 |
0.13 |
0.45 |
7.14 |
50.97 |
|||
|
8 |
0.13 |
0.44 |
7.07 |
|||||
|
10 |
0.03 |
0.13 |
0.44 |
7.04 |
70.33 |
|||
|
2 |
15-40 |
0.03 |
0.03 |
0.13 |
2.71 |
7.42 |
||
|
50-100 |
0.03 |
0.03 |
0.13 |
2.57 |
7.03 |
|||
|
PGH Series Performance Table |
||||||||
|
Specification |
Unit |
Stage |
Ratio |
PGH60 |
PGH90 |
PGH115 |
PGH142 |
PGH180 |
|
Rated output torqueT₂N |
Nm |
1 |
3 |
53 |
145 |
290 |
520 |
950 |
|
4 |
55 |
150 |
300 |
550 |
1000 |
|||
|
5 |
54 |
140 |
290 |
530 |
1050 |
|||
|
6 |
135 |
280 |
490 |
|||||
|
7 |
44 |
125 |
270 |
450 |
960 |
|||
|
8 |
110 |
240 |
390 |
|||||
|
10 |
37 |
95 |
220 |
360 |
800 |
|||
|
2 |
15 |
53 |
145 |
290 |
520 |
950 |
||
|
20 |
55 |
150 |
300 |
550 |
1000 |
|||
|
25 |
54 |
140 |
290 |
530 |
1050 |
|||
|
30 |
54 |
140 |
290 |
530 |
1050 |
|||
|
40 |
54 |
140 |
290 |
530 |
1050 |
|||
|
50 |
54 |
140 |
290 |
530 |
1050 |
|||
|
60 |
46 |
135 |
280 |
490 |
1000 |
|||
|
70 |
44 |
125 |
270 |
450 |
960 |
|||
|
100 |
37 |
95 |
220 |
360 |
800 |
|||
|
Max torqueT₂NoT |
Nm |
Double-rated output torque |
||||||
|
Max radial force F₂aB |
N |
12 |
1010 |
1780 |
3420 |
5380 |
8330 |
|
|
Max axial force F₂B |
N |
12 |
600 |
1500 |
2650 |
4670 |
6460 |
|
|
Effciency |
% |
1 |
98 |
|||||
|
2 |
96 |
|||||||
|
Weight |
kg |
1 |
1.3 |
3.5 |
7.8 |
16.1 |
27 |
|
|
2 |
2 |
5.6 |
9.5 |
19 |
34 |
|||
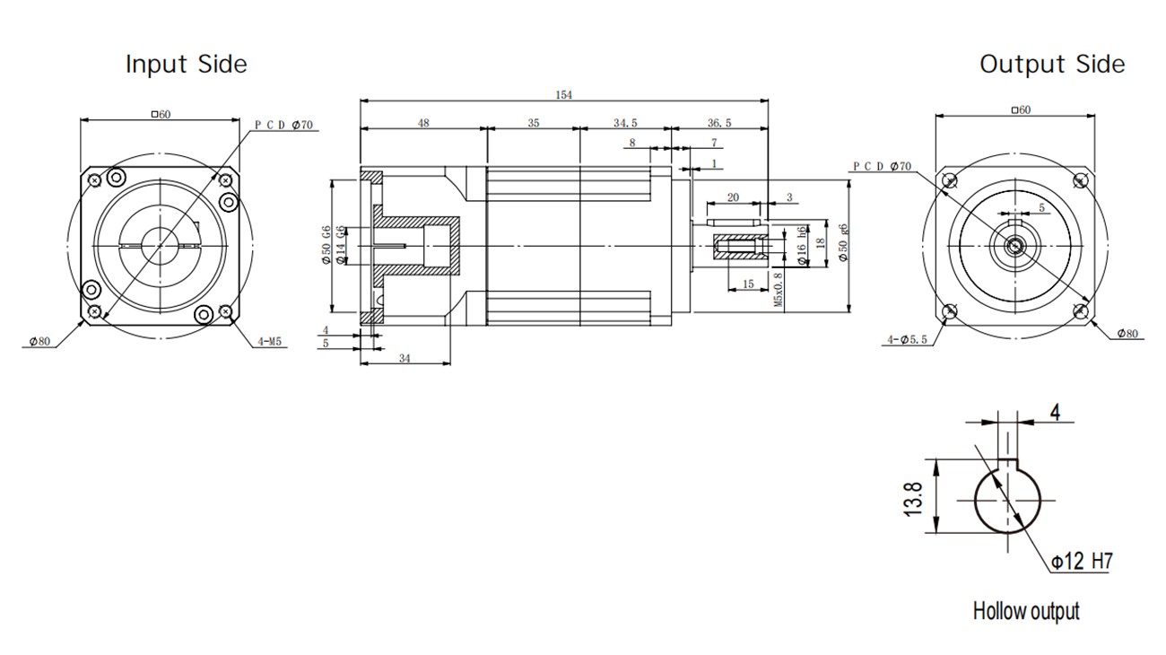
PGH060 Two-Stage Outline Diagram

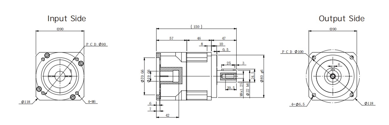
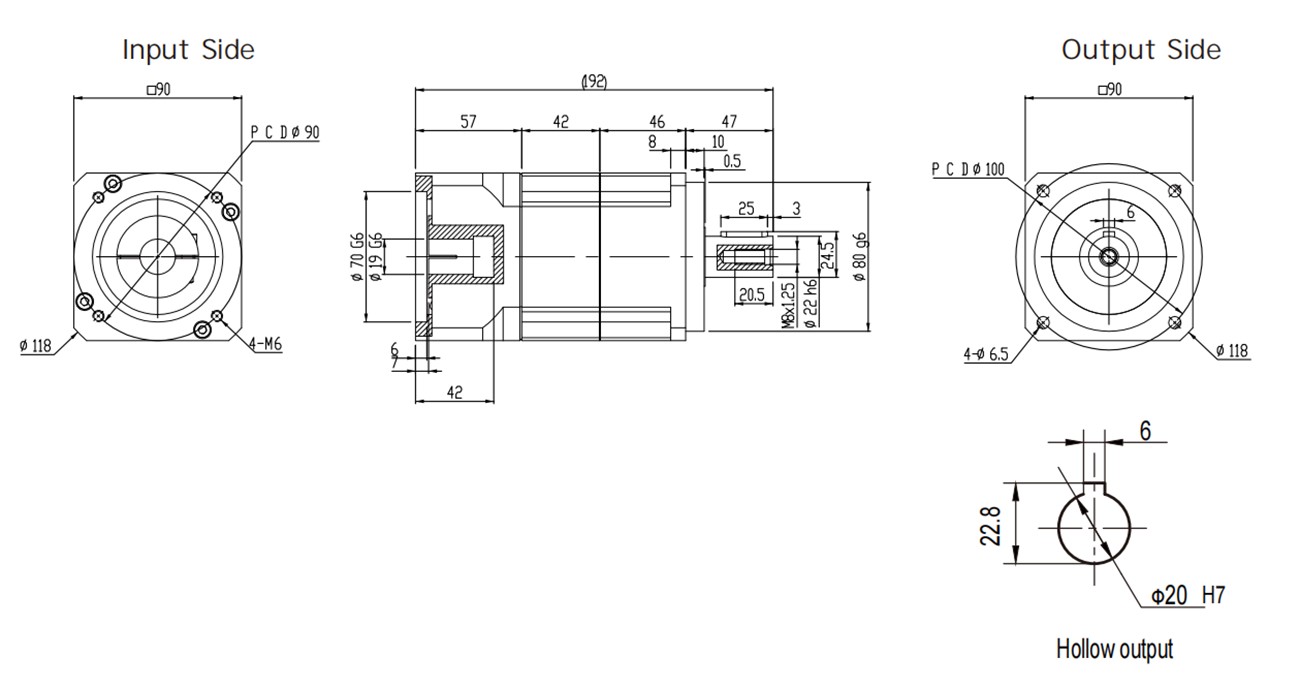
PGH090 Two-Stage Outline Diagram

PGH090 Two-Stage Outline Diagram

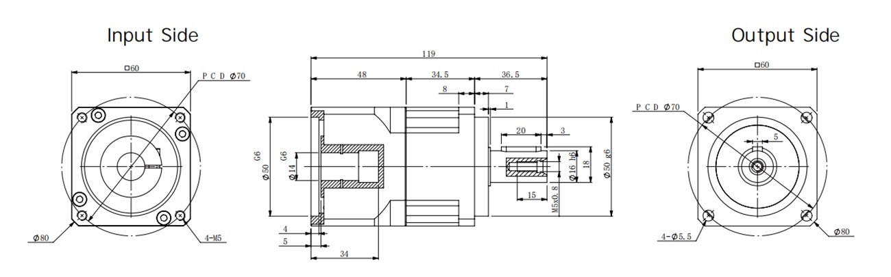
PGH060 Two-Stage Outline Diagram
