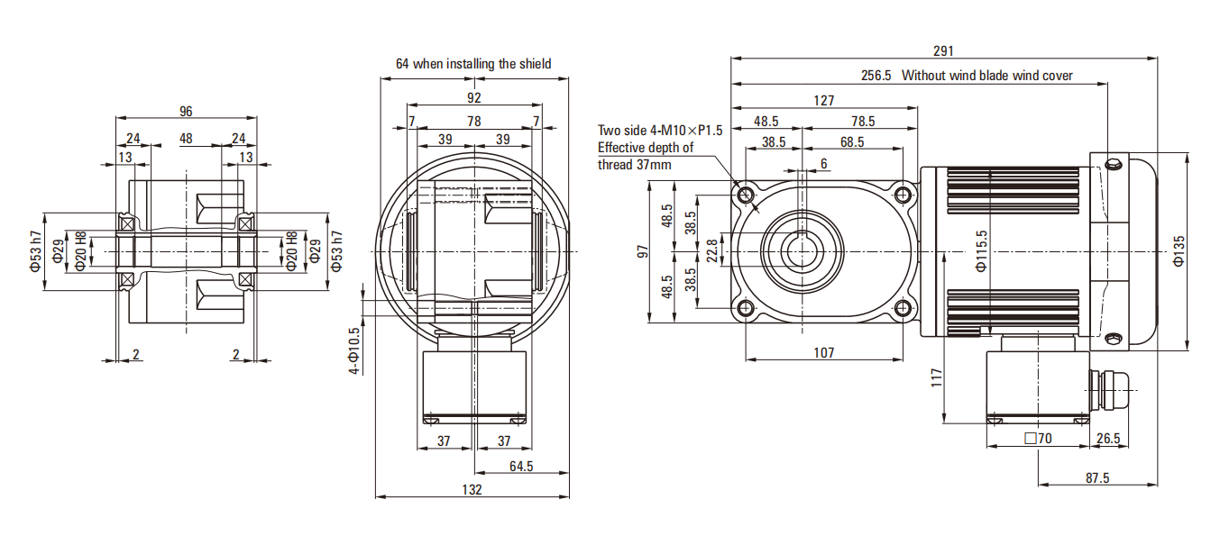
Motor Type: ZDF3
Power: 100W
Voltage: 200-460V
Gearbox Ratio: 5-240
|
Model |
Output power |
Voltage |
Frequency |
Rated current |
Rated torque |
Rated speed |
Locked rotor torque |
Locked rotor current |
Insulation grade |
|
W |
V |
Hz |
A |
N.m |
r/min |
N.m |
A |
||
|
ZDF3-25H□-100-S(B) |
100 |
200 |
60 |
0.60 |
0.56 |
1700 |
1.22 |
2.59 |
F |
|
220 |
50 |
0.74 |
0.67 |
1410 |
1.85 |
1.10 |
|||
|
380 |
50 |
0.43 |
0.67 |
1410 |
1.85 |
1.64 |
|||
|
460 |
60 |
0.41 |
0.55 |
1730 |
2.00 |
1.80 |
|
Model |
Output power |
Voltage |
Frequency |
Rated current |
Rated torque |
Rated speed |
Locked rotor torque |
Locked rotor current |
Insulation grade |
|
W |
V |
Hz |
A |
N.m |
r/min |
N.m |
A |
||
|
ZDF3-22A□-100-S(B) |
100 |
200 |
60 |
0.60 |
0.56 |
1700 |
1.22 |
2.59 |
F |
|
220 |
50 |
0.74 |
0.67 |
1410 |
1.85 |
1.10 |
|||
|
380 |
50 |
0.43 |
0.67 |
1410 |
1.85 |
1.64 |
|||
|
460 |
60 |
0.41 |
0.55 |
1730 |
2.00 |
1.80 |
|
Power |
Aperture/Axis diameter |
Reduction ratio |
Output shaft speed |
Output shaft torque |
Output shaft tolerance |
Output shaft tolerance |
|||
|
r/min |
N.m |
kgf.m |
Axial force load |
||||||
|
W |
mm |
i |
50Hz |
50Hz |
50Hz |
N |
kgf |
N |
kgf |
|
100 |
20/18 |
5 |
300 |
2.50 |
0.260 |
980 |
100 |
244 |
25 |
|
7.5 |
200 |
3.80 |
0.390 |
1080 |
110 |
270 |
28 |
||
|
10 |
150 |
5.20 |
0.530 |
1180 |
120 |
294 |
30 |
||
|
12 |
125 |
6.50 |
0.660 |
1270 |
130 |
316 |
32 |
||
|
15 |
100 |
7.70 |
0.790 |
1320 |
135 |
333 |
34 |
||
|
20 |
75.0 |
10.8 |
1.100 |
1470 |
150 |
373 |
38 |
||
|
25 |
60.0 |
13.0 |
1.300 |
1570 |
160 |
392 |
40 |
||
|
30 |
50.0 |
16.0 |
1.600 |
1670 |
170 |
422 |
43 |
||
|
40 |
37.5 |
21.0 |
2.100 |
1810 |
185 |
451 |
46 |
||
|
50 |
30.0 |
25.0 |
2.600 |
1860 |
190 |
471 |
18 |
||
|
60 |
25.0 |
31.0 |
3.200 |
1860 |
190 |
471 |
48 |
||
|
25/22 |
80 |
18.8 |
39.0 |
4.000 |
2550 |
260 |
637 |
65 |
|
|
100 |
15.0 |
49.0 |
5.000 |
2550 |
260 |
637 |
65 |
||
|
120 |
12.5 |
59.0 |
6.000 |
2550 |
260 |
637 |
65 |
||
|
160 |
9.40 |
78.0 |
8.000 |
2550 |
260 |
637 |
65 |
||
|
200 |
7.50 |
98.0 |
10.01 |
2550 |
260 |
637 |
65 |
||
|
※240 |
6.30 |
101 |
10.31 |
2550 |
260 |
637 |
65 |
||
