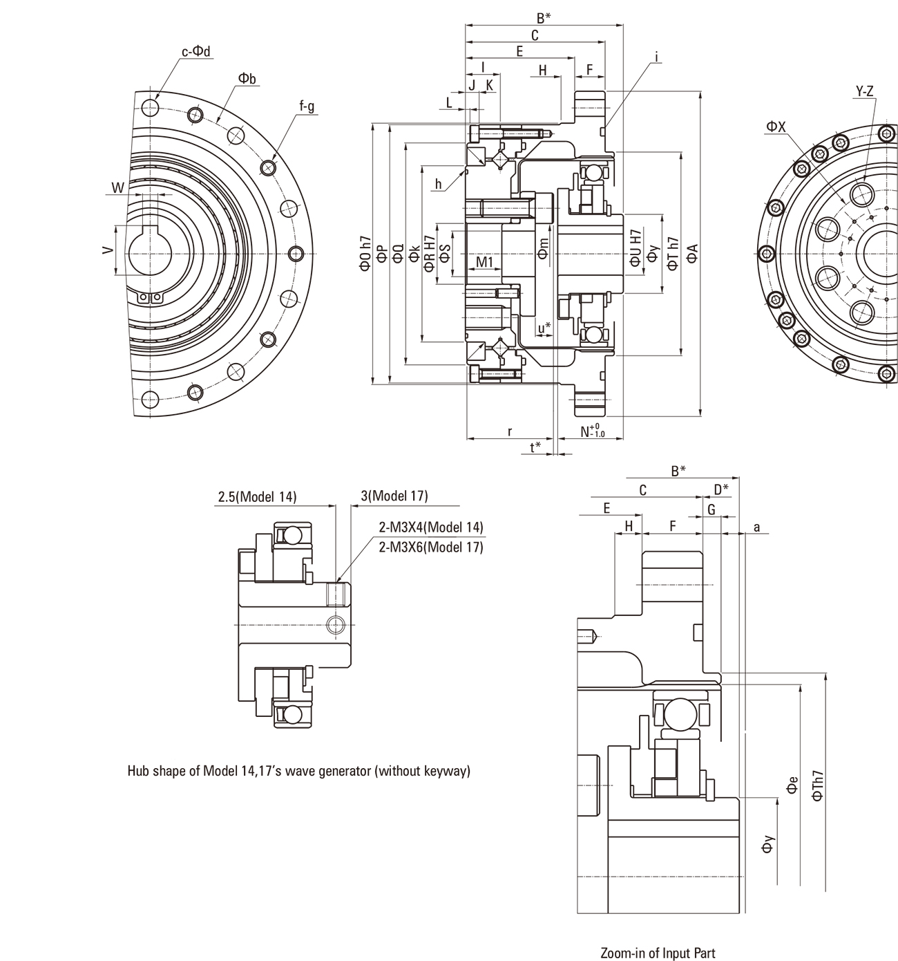
Product Type: Robot Reducer
Product Model: 14-32
Reduction Ratio:50-120
Backlash: ≤2.0 Arcmin ( Reduction Ratio 50)
≤1.0 Arcmin ( Reduction Ratio 80-120)
|
Model |
Reduction ratio |
Rated torque @2000 r/min (N ·m) |
Permissible peak torque of starting/stopping (N ·m) |
Permissible max value of ave. load torque (N ·m) |
Instantaneous permissible max torque (N ·m) |
Permissible max input rotational speed (r/min) |
Permissible ave input rotational speed (r/min) |
Inertia moment (×10-⁴kgm²) |
ILife in design (h) |
|
14 |
50 |
5.4 |
18 |
6.9 |
35 |
8500 |
3500 |
0.033 |
10000 |
|
80 |
7.8 |
23 |
11 |
47 |
|||||
|
100 |
7.8 |
28 |
11 |
54 |
|||||
|
17 |
50 |
16 |
34 |
26 |
70 |
7300 |
3500 |
0.079 |
10000 |
|
80 |
22 |
43 |
27 |
87 |
|||||
|
100 |
24 |
54 |
39 |
108 |
|||||
|
20 |
50 |
25 |
56 |
34 |
98 |
6500 |
3500 |
0.193 |
10000 |
|
80 |
34 |
74 |
47 |
127 |
|||||
|
100 |
40 |
82 |
49 |
147 |
|||||
|
120 |
40 |
87 |
49 |
147 |
|||||
|
25 |
50 |
39 |
98 |
55 |
186 |
5600 |
3500 |
0.413 |
10000 |
|
80 |
63 |
137 |
87 |
255 |
|||||
|
100 |
67 |
157 |
108 |
284 |
|||||
|
120 |
67 |
167 |
108 |
304 |
|||||
|
32 |
50 |
76 |
216 |
108 |
382 |
4800 |
3500 |
1.690 |
10000 |
|
80 |
118 |
304 |
167 |
568 |
|||||
|
100 |
137 |
333 |
216 |
647 |
|||||
|
120 |
137 |
353 |
216 |
686 |
Transmission accuracy
unite: arc-min
|
Model Reduction ratio |
14 |
17 |
20 |
25 |
32 |
|
50 |
1.8 |
1.8 |
1.5 |
1.5 |
1.5 |
|
80 or more |
1.5 |
1.5 |
1.2 |
1.2 |
1.2 |
Lost motion
unite: arc-min
|
Model |
14 |
17 |
20 |
25 |
32 |
|
50 |
2.0 |
2.0 |
2.0 |
2.0 |
2.0 |
|
80 or more |
1.0 |
1.0 |
1.0 |
1.0 |
1.0 |
Max. backlash quantity
Unit: arc-sec
|
Model |
14 |
17 |
20 |
25 |
32 |
|
50 |
60 |
60 |
36 |
36 |
36 |
|
80 |
40 |
40 |
32 |
32 |
32 |
|
100 |
35 |
35 |
35 |
30 |
30 |
|
120 |
- |
- |
- |
28 |
28 |
Torsional rigidity
|
Model |
14 |
17 |
20 |
25 |
32 |
|
|
T₁ |
Nm |
2.00 |
3.90 |
7.00 |
14.0 |
29.0 |
|
T₂ |
Nm |
6.90 |
12.0 |
25.0 |
48.0 |
108 |
|
Reduction ratio 50 |
K₁ (×10⁴ Nm/rad) |
0.34 |
0.81 |
1.30 |
2.50 |
5.40 |
|
K₂ (×10⁴ Nm/rad) |
0.47 |
1.10 |
1.80 |
3.40 |
7.80 |
|
|
K₃ (×10⁴ Nm/rad) |
0.57 |
1.30 |
2.30 |
4.40 |
9.80 |
|
|
θ₁ (arc min) |
2.00 |
1.70 |
1.80 |
1.90 |
1.90 |
|
|
θ₂ (arc min) |
5.60 |
4.20 |
5.30 |
5.40 |
5.40 |
|
|
Reduction ratio |
K₁ (×10⁴Nm/rad) |
0.47 |
1.00 |
1.60 |
3.10 |
6.70 |
|
K₂ (×10⁴Nm/rad) |
0.61 |
1.40 |
2.50 |
5.00 |
11.0 |
|
|
K₃ (×10⁴Nm/rad) |
0.71 |
1.60 |
2.90 |
5.70 |
12.0 |
|
|
θ₁ (arc min) |
1.40 |
1.30 |
1.50 |
1.50 |
1.50 |
|
|
θ₂ (arc min) |
4.20 |
3.30 |
3.90 |
3.80 |
4.00 |
|
