Product Type: Robot Reducer
Product Model: 14-32
Reduction Ratio:50-120
Backlash: ≤2.0 Arcmin ( Reduction Ratio 50)
≤1.0 Arcmin ( Reduction Ratio 80-120)
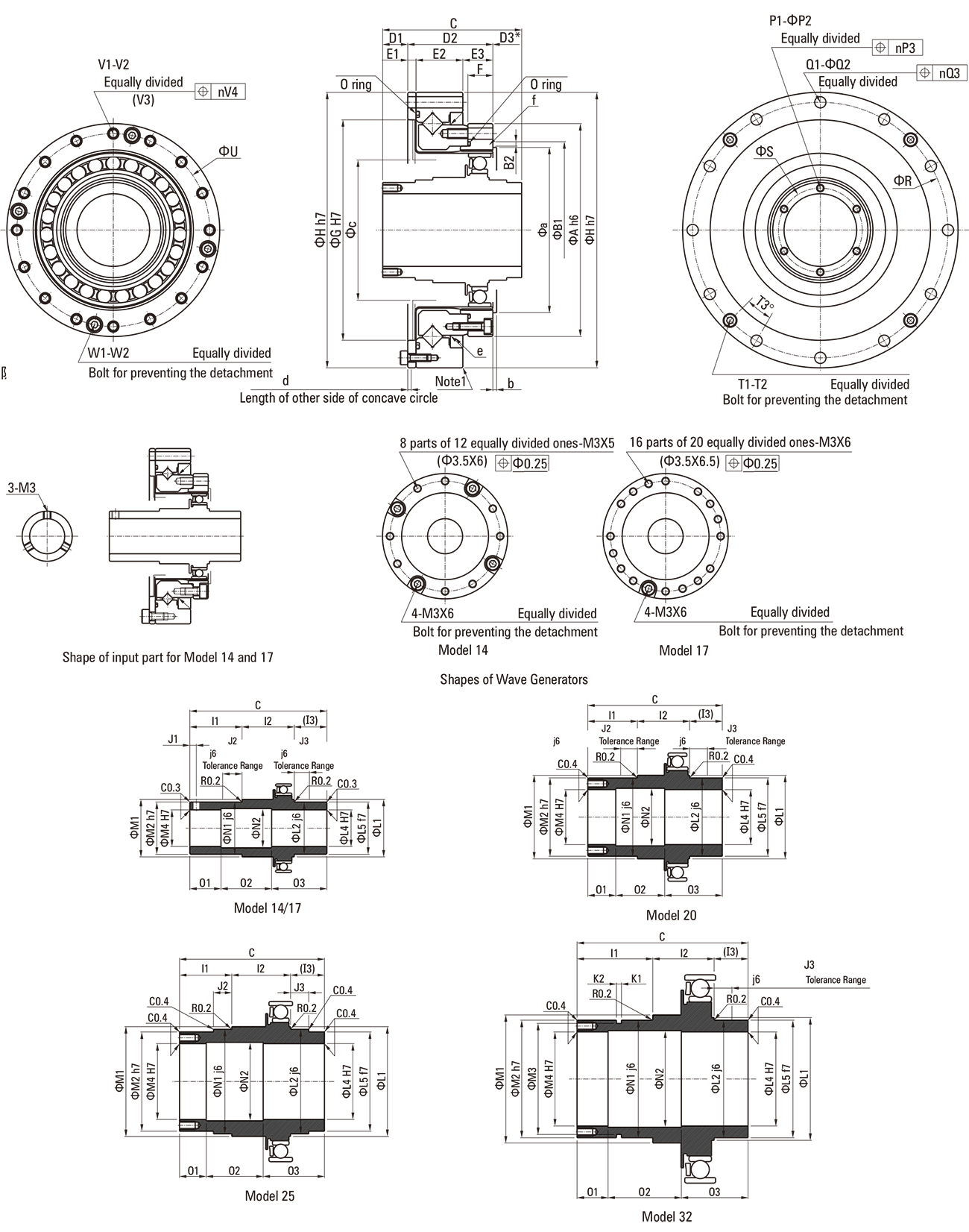
Dimension Table
|
Model Symbol |
14 |
17 | 20 | 25 | 32 | |
|
ΦA h6 |
50 |
60 |
70 |
85 |
110 |
|
|
ΦB1 |
- |
- |
- |
- |
- |
|
|
C |
52.5+0-0.1 |
56.5+0-0.1 |
51.5+0-0.1 |
55.5+0-0.1 |
65.5+0-0.1 |
|
|
D1* |
SHF |
16+0.8+0 |
16+0.9+0 |
9.5+1.0+0 |
10+1.1+0 |
12+1.1+0 |
|
SHG |
16+0.4+0 |
16+0.4+0 |
9.5+0.4+0 |
10+0.5+0 |
12+0.6+0 |
|
|
D2 |
23.5 |
26.5 |
29 |
34 |
42 |
|
|
D3* |
13 |
14 |
13 |
11.5 |
11.5 |
|
|
E1 |
2.4 |
3 |
3 |
3.3 |
3.6 |
|
|
E2 |
14.1 |
16 |
17.5 |
18.7 |
23.4 |
|
|
E3 |
7 |
7.5 |
8.5 |
12 |
15 |
|
|
F |
6 |
6.5 |
7.5 |
10 |
14 |
|
|
ΦG H6 |
48 |
60 |
70 |
88 |
114 |
|
|
ΦH h6 |
70 |
80 |
90 |
110 |
142 |
|
|
11 |
20±0.1 |
21.5±0.1 |
19±0.1 |
20±0.1 |
29±0.1 |
|
|
12 |
20±0.1 |
21.5±0.1 |
20±0.1 |
22.5±0.1 |
23.5±0.1 |
|
|
(13) |
12.5 |
13.5 |
12.5 |
13 |
13 |
|
|
J1 |
2.5 |
2.5 |
- |
- |
- |
|
|
J2 |
7 |
7 |
7 |
6.5 |
- |
|
|
J3 |
7 |
7 |
7 |
6.5 |
- |
|
|
J4 |
- |
- |
- |
- |
- |
|
|
K1 |
- |
- |
- |
- |
- |
|
|
K2 |
- |
- |
- |
- |
- |
|
|
ΦL1 |
22 |
27 |
32 |
42 |
47 |
|
|
Wave generator dimensions |
ΦL2j6 |
20 |
25 |
30 |
40 |
45 |
|
ΦL3 h9 |
- |
- |
- |
38 |
- |
|
|
ΦL4 H7 |
14 |
19 |
21 |
29 |
36 |
|
|
ΦL5 f7 |
20 |
25 |
30 |
- |
45 |
|
|
ΦM1 |
22 |
27 |
32 |
42 |
49 |
|
|
ΦM2h7 |
20 |
25 |
30 |
38 |
45 |
|
|
ΦM3 |
- |
- |
- |
42.5 |
||
|
ΦM4H7 |
14 |
19 |
21 |
29 |
36 |
|
|
ΦN1 j6 |
20 |
25 |
30 |
40 |
45 |
|
|
ΦN2 |
14.5 |
19.5 |
21.5 |
29.5 |
36.5 |
|
|
01 |
10 |
10 |
10 |
10 |
10 |
|
|
02 |
22.5 |
24.5 |
(19.5) |
22.5 |
(30.5) |
|
|
03 |
20 |
22 |
22 |
23 |
25 |
|
|
P1 |
3 |
3 |
6 |
6 |
6 |
|
|
P2 |
M3 |
M3 |
M3X6 |
M3X6 |
M3X6 |
|
|
ΦP3 |
- |
- |
0.25 |
0.25 |
0.25 |
|
|
Q1 |
8 |
12 |
12 |
12 |
12 |
|
|
Φ02 |
3.5 |
3.5 |
3.5 |
4.5 |
5.5 |
|
|
ΦQ3 |
0.25 |
0.25 |
0.25 |
0.25 |
0.25 |
|
|
ΦR |
64 |
74 |
84 |
102 |
132 |
|
|
ΦS |
- |
- |
25.5 |
33.5 |
40.5 |
|
|
T1 |
2 |
4 |
4 |
4 |
4 |
|
|
T2 |
M3X6 |
M3X6 |
M3X8 |
M3X8 |
M4X8 |
|
|
T3(angle) |
22.5° |
15° |
15° |
15° |
15° |
|
|
ΦU |
44 |
54 |
62 |
77 |
100 |
|
|
V1 |
8 parts of 12 equally divided ones |
16 parts of 20 equally divided ones |
16 |
16 |
16 |
|
|
V2 |
M3X5 |
M3X6 |
M3X6 |
M4X7 |
M5X8 |
|
|
V3 |
Φ3.5X6 |
Φ3.5X6.5 |
Φ3.5X7.5 |
Φ4.5X10 |
Φ5.5X14 |
|
|
V4 |
0.25 |
0.25 |
0.25 |
0.25 |
0.25 |
|
|
W1 |
4 |
4 |
4 |
4 |
4 |
|
|
W2 |
M3X6 |
M3X6 |
M3X8 |
M3X10 |
M4X16 |
|
|
Minimum housing clearance |
Φa |
38 |
45 |
53 |
66 |
86 |
|
b |
1 |
1 |
1.5 |
1.5 |
1.5 |
|
|
Φc |
31 |
38 |
45 |
56 |
73 |
|
|
d |
1.7 |
2.1 |
2 |
2 |
2 |
|
|
e |
D49585 |
D59685 |
D69785 |
D84945 |
D1101226 |
|
|
Mass(kg) |
0.45 |
0.63 |
0.89 |
1.44 |
3.1 |
|
|
· Specification with*mark: The DFKindicate the mounting positions in the shaft direction and allowance of the three ats-wave generato; fexspline, circular spline. · Strictly follow the requirement of these specifications as they affect the performance and intensity. |
||||||
|
Please note that in the circular spline there does not incorporate an O-ring groove (Symbolf). Pease provide altemate sealing arangements during the designing and instaling. |
||||||
|
· Due to the deformation of the Flexspline during operation, it is necessary to provide a minimum housing clearance, dimensions Φa, b, c. |
||||||
|
· The wave generator is packed separately when the product is delivered. |
||||||
|
· The following dimensions can be modified to accommodate customer-specific requirements. Wave Generator: C Flexspline: 0 and P Circular Spline: X, and X₂. |
||||||
