Product Type: Robot Reducer
Product Model: 14-32
Reduction Ratio:50-120
Backlash: ≤2.0 Arcmin ( Reduction Ratio 50)
≤1.0 Arcmin ( Reduction Ratio 80-120)
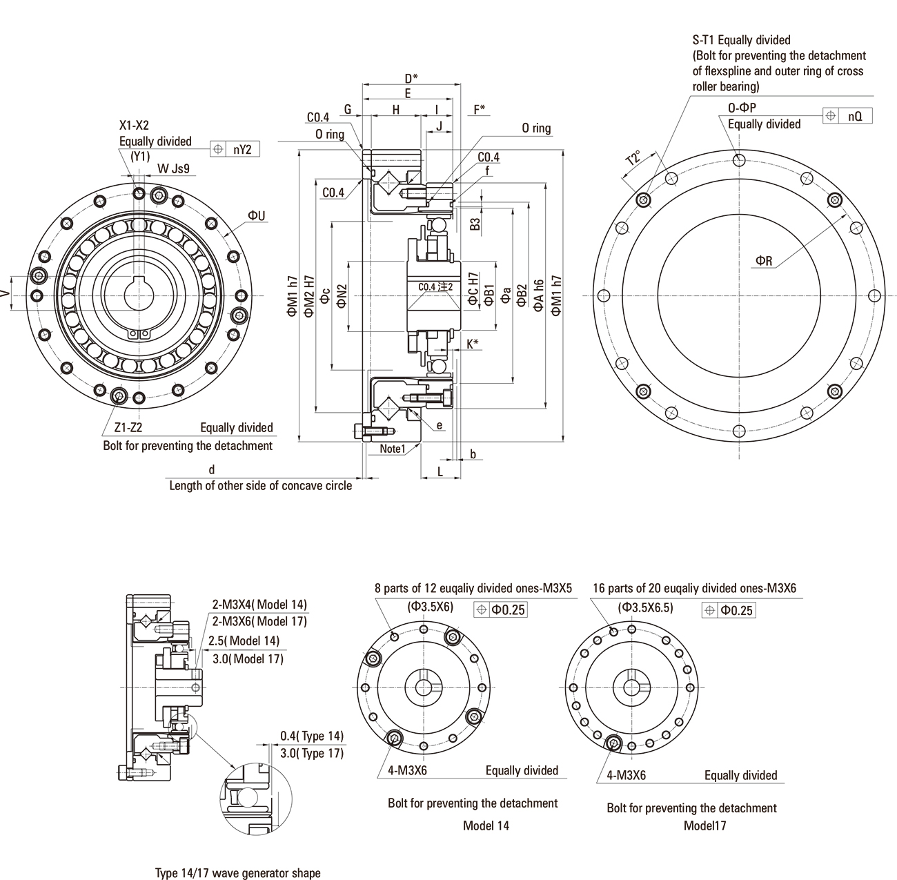
Dimensions Table
|
Model Symbol |
14 |
17 |
20 |
25 |
32 |
|
|
ΦA h6 |
50 |
60 |
70 |
85 |
110 |
|
|
ΦB1 |
14 |
18 |
21 |
26 |
26 |
|
|
ΦCH7 |
Standard |
6 |
8 |
9 |
11 |
14 |
|
Max |
8 |
10 |
13 |
15 |
15 |
|
|
D* |
SHF |
28.5+0-0.8 |
32.5+0-0.9 |
33.5+0-1.0 |
37+0-1.1 |
44+0-1.1 |
|
SHG |
28.5+0-0.8 |
32.5+0-0.9 |
33.5+0-1.0 |
37+0-1.1 |
44+0-1.1 |
|
|
E |
23.5 |
26.5 |
29 |
34 |
42 |
|
|
F* |
5 |
6 |
4.5 |
3 |
2 |
|
|
G |
2.4 |
3 |
3 |
3.3 |
3.6 |
|
|
H |
14.1 |
16 |
17.5 |
18.7 |
23.4 |
|
|
I |
7 |
7.5 |
8.5 |
12 |
15 |
|
|
J |
6 |
6.5 |
7.5 |
10 |
14 |
|
|
K* |
SHF |
0.4 |
0.3 |
0.1 |
2.1 |
2.5 |
|
SHG |
1.4 |
1.6 |
1.5 |
3.5 |
4.2 |
|
|
L |
SHF |
17.6+0-0.1 |
19.5+0-0.1 |
20.1+0-0.1 |
20.2+0-0.1 |
22+0-0.1 |
|
SHG |
18.5+0-0.1 |
20.7+0-0.1 |
21.5+0-0.1 |
21.6+0-0.1 |
23.6+0-0.1 |
|
|
ΦM1 |
70 |
80 |
90 |
110 |
142 |
|
|
ΦM2 |
48 |
60 |
70 |
88 |
114 |
|
|
0 |
8 |
12 |
12 |
12 |
12 |
|
|
ΦP |
3.5 |
3.5 |
3.5 |
4.5 |
5.5 |
|
|
ΦQ |
0.25 |
0.25 |
0.25 |
0.25 |
0.25 |
|
|
ΦR |
64 |
74 |
84 |
102 |
132 |
|
|
S |
2 |
4 |
4 |
4 |
4 |
|
|
T1 |
M3X6 |
M3X6 |
M3X8 |
M3X8 |
M4X8 |
|
|
T2 (Angle) |
22.5° |
15° |
15° |
15° |
15° |
|
|
ΦU |
44 |
54 |
62 |
77 |
100 |
|
|
V |
- |
10.4 |
12.8 |
16.3 |
||
|
W Js9 |
- |
- |
3 |
4 |
5 |
|
|
X1 |
12E.A.8 |
20 E.A.16 |
16 |
16 |
16 |
|
|
X2 |
M3X5 |
M3X6 |
M3X6 |
M4X7 |
M5X8 |
|
|
Y1 |
Φ3.5X6 |
Φ3.5X6.5 |
Φ3.5X7.5 |
Φ4.5X10 |
Φ5.5X14 |
|
|
Y2 |
0.25 |
0.25 |
0.25 |
0.25 |
0.25 |
|
|
Z1 |
4 |
4 |
4 |
4 |
4 |
|
|
Z2 |
M3X6 |
M3X6 |
M3X8 |
M3X10 |
M4X16 |
|
|
Housing inner wall |
Φa |
38 |
45 |
53 |
66 |
86 |
|
b |
1 |
1 |
1.5 |
1.5 |
1.5 |
|
|
Φc |
31 |
38 |
45 |
56 |
73 |
|
|
d |
1.7 |
2.1 |
2 |
2 |
2 |
|
|
e |
D49585 |
D59685 |
D69785 |
D84945 |
D1101226 |
|
|
Weight(kg) |
0.41 |
0.57 |
0.81 |
1.31 |
2.94 |
|
|
·Specification with *mark: The DF/K indicate the mounting position in the shaft direction and allowance of the three parts-wave generator,fleslin, cicuar spline. Strictly follow the requirement of these specifications as they affect the performance and intensity. |
||||||
|
·Please note that in he circular spline there does not incorporate an O-ing grove (ymbolf1. Pease provide alternate sealing arrangements during the designing and installing. |
||||||
|
·Due to the deformation of the Flexspline during operation, it is necessary to provide a minimum housing clearance, dimensions φa,b,c. |
||||||
|
·The wave generator is packed separately when the product is delivered. |
||||||
|
·The following dimensions can be modified to accommodate customer-specific requirements. Wave Generator: C Flexspline: 0 and P Circular Spline: X, and X₂. |
||||||
