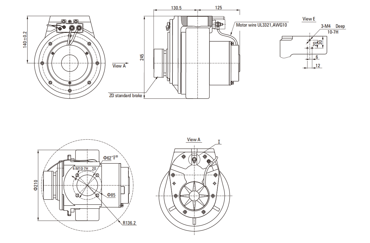
Motor Type: Z130D
Voltage: 24V DC
Power: 650W
|
Type |
Z130D650-24A1-26.5S-Q |
Protection grade |
IP44 |
|
Rated voltage |
24V DC |
Reducer model |
NL-210-001 |
|
Rated power |
650W |
Reduction ratio |
24.685K/17K |
|
Rated current |
38A±10% |
Brake voltage |
24V DC |
|
Rated speed |
2650rpm±10% |
Brake torque |
6N.m |
|
Rated torque |
2.34N.m |
Ambient temperature |
-10℃~+40℃ |
|
Noload current |
≤11A |
Noise |
<65dB(A)(L=100cm) |
|
Noload speed |
3100rpm±10% |
Wire diagram view A |
![]() |
|
Work duty |
S2(45min) |
||
|
Insulation resistance |
>20MΩ |
||
|
Brush life |
1200h |
||
|
Electrical strength |
660V/S |
||
|
Insulation class |
F |
