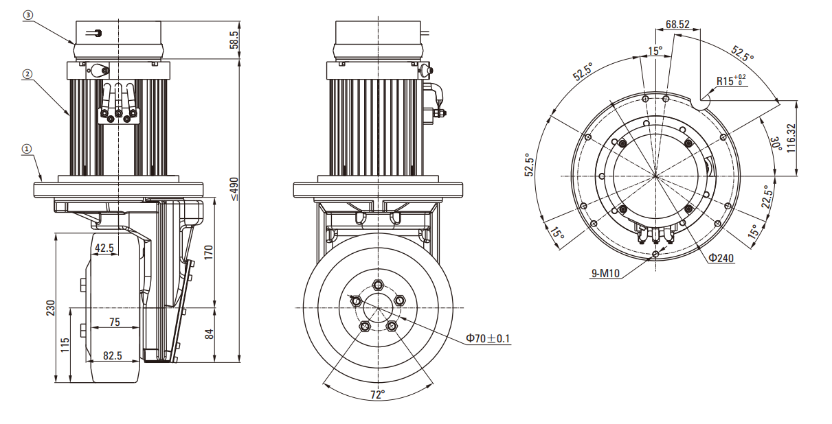
Motor Type: Steering Wheel
Voltage: 16V
Power: 1500W
|
①Geared drive wheel basic performance specs |
|
|
Type |
ZV-230-004 |
|
Ratio |
21.5K/25.59K |
|
Wheel diameter |
230mm |
|
Reducer rated load |
1300Kg |
|
Drive wheel output torque |
96.3N.m/114.6N.m |
|
Drived steer or not |
No drived steer |
|
②Table of basic performance parameters of gearbox motor |
||
|
Type |
ZDL-1.5KW-S16V |
|
|
Rated voltage |
16V/90Hz AC(Controler 24V DC) |
|
|
Rated power |
1.5KW |
|
|
Rated current |
76A |
|
|
Rated speed |
2590rpm |
|
|
Rated torque |
5.5N.m |
|
|
Work duty |
S2-60min |
|
|
Insulation resistance |
F |
|
|
Protection grade |
IP42 |
|
|
Ambient temperature |
-10℃~+40℃ |
|
|
Noise |
<75dB(L=100cm) |
|
|
Temperature sensor |
Black AMP two-core terminal seat |
|
|
Encoder |
48 bites+black AMP four core terminal seat |
|
|
a |
V CC(YEL) |
|
|
b |
OUT A(WHT) |
|
|
c |
0UT B(BLU) |
|
|
d |
GND(BLK) |
|
|
Speed sensor |
||
|
③Brake basic performance specs |
|
|
Type |
CDC-C10(24V15)16G |
|
Rated voltage |
24V DC |
|
Rated power |
30W |
|
Brake torque |
16N.m |
|
Release voltage |
>1.5VDC |
|
Clutch voltage |
<16.8V DC |
