Motor Type: Steering Wheel
Voltage: 24V DC
Power: 400W
|
①Basic parameter |
|||
|
Type |
ZD-CDY20190114001 |
Gearbox direction |
Same as motor |
|
Rated voltage |
24V DC |
||
|
Rated power |
400W |
Encoder |
64 Bites |
|
Rated current |
24A±10% |
Gearbox structure |
Integrated |
|
Rated speed |
3000rpm±10% |
Eficiency |
81% |
|
Rated torque |
1.27N.m |
Gearbox rated torque |
35N.m |
|
Noload current |
≤3.5A |
Gearbox max torque |
1.5xrated |
|
Noload speed |
3600rpm±10% |
Ambient temperature |
-10℃~+40℃ |
|
Work duty |
S2(10分钟10mins) |
Noise |
<65dB(L=100cm) |
|
Insulation resistance |
>20MΩ |
Wire diagram |
|
|
Brush life |
2000h |
||
|
Electrical strength |
660V/S |
||
|
Insulation class |
B |
||
|
Protection grade |
IP20 |
||
|
Reducer model |
82PN33.92K |
||
|
Reduction stage |
2 |
||
|
②Table of basic performance parameters of gearbox motor |
||
|
Type |
ZDL-1500W-S16V-001-00001 |
|
|
Rated voltage |
16V/90Hz AC(Controler 24V DC) |
|
|
Rated power |
1500W |
|
|
Rated current |
76A |
|
|
Rated speed |
2600rpm |
|
|
Rated torque |
5.5N.m |
|
|
Work duty |
S2-60min |
|
|
Insulation class |
F |
|
|
Protection grade |
IP42 |
|
|
Ambient temperature |
-10℃~+40℃ |
|
|
Noise |
<65dB(L=100cm) |
|
|
Temperature sensor |
Black AMP two-core terminal seat |
|
|
Encoder |
48 bites+black AMP four core terminal seat |
|
|
a |
V CC(YEL) |
|
|
b |
OUT A(WHT) |
|
|
c |
OUT B(BLU) |
|
|
d |
GND(BLK) |
|
|
Speed sensor |
||
|
③Brake basic performance specs |
|
|
Type |
CDC-C10(24V15)16G |
|
Rated voltage |
24V DC |
|
Rated power |
30W |
|
Brake torque |
16N.m |
|
Release voltage |
>1.5V DC |
|
Clutch voltage |
<16.8V DC |
|
④Geared drive wheel basic performance specs |
|
|
Type |
ZV-001 |
|
Ratio |
21:1 |
|
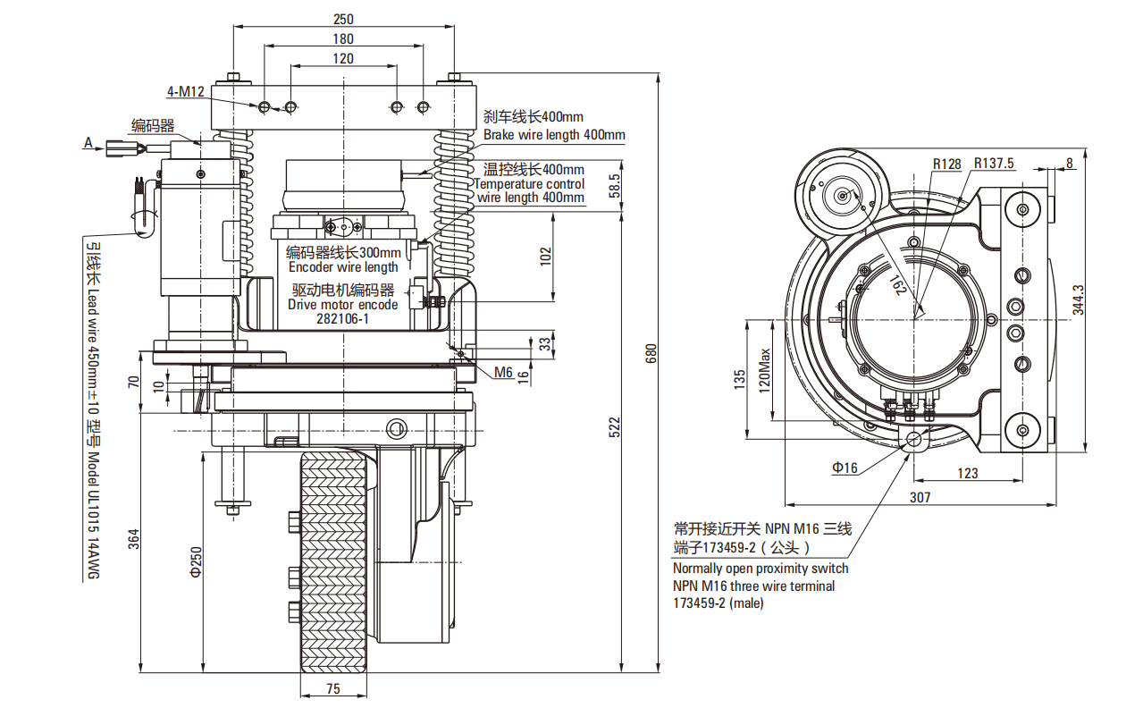
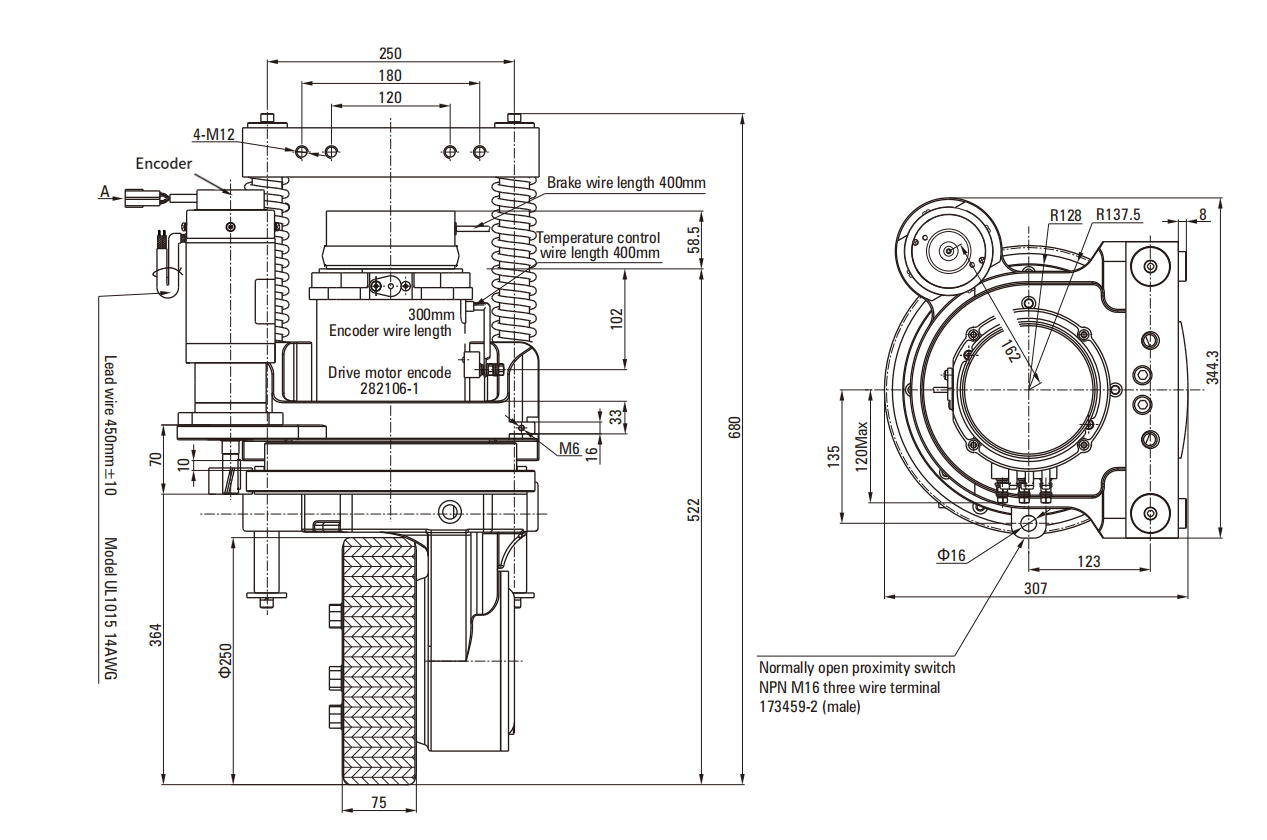
Wheel diameter |
250mm |
|
⑤Steer drive basic specs |
|
|
Ratio |
24:144 |
|
⑥Drive holder |
|
|
Drawing number |
- |
