Motor Type: M5BLD
Power: 120W&200W&400W
Voltage: 220V
Gearbox Ratio: 200W 5-50K (In-line)
120W 5-200K (In-line)
5-50K (L Type)
|
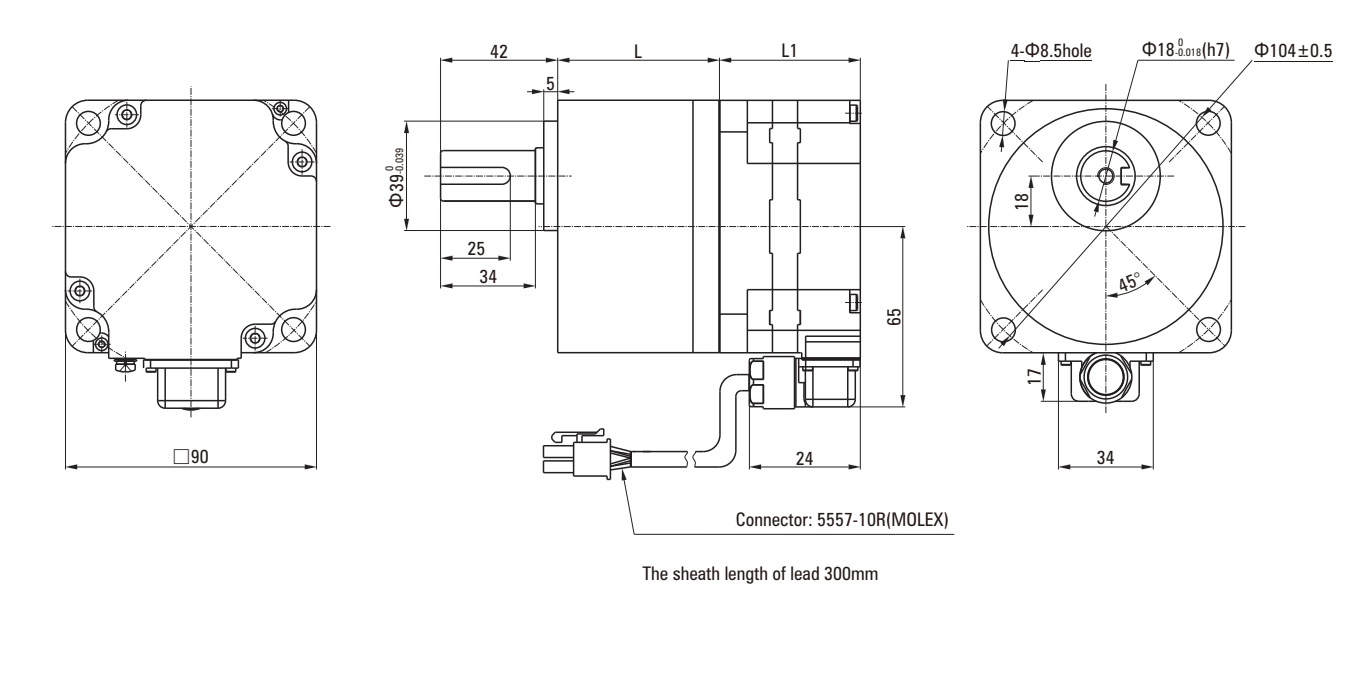
Model number |
Motor type |
Type of reducer |
Ratio |
L |
L1 |
|
M5BLD120-220GV-30S/5GU□V |
M5BLD120-220GV-30S |
5GU□V |
5~20 |
45 |
50.5 |
|
30~100 |
58 |
||||
|
200 |
64 |
||||
|
M5BLD200-220GV-30S/5GU□V |
M5BLD200-220GV-30S |
5GU□V |
5~20 |
45 |
54.5 |
|
30~100 |
58 |
||||
|
200 |
64 |
|
Output power |
Ratio |
5 |
10 |
15 |
20 |
30 |
50 |
100 |
200 |
|
120W |
80~2000RPM |
2.0 |
4.1 |
6.1 |
8.1 |
11.6 |
19.4 |
30.0 |
30.0 |
|
3000RPM |
1.7 |
3.4 |
5.2 |
6.9 |
9.9 |
16.4 |
30.0 |
30.0 |
|
|
4000RPM |
1.3 |
2.6 |
3.9 |
5.2 |
7.4 |
12.3 |
24.7 |
27.0 |
|
|
200W |
80~2000RPM |
2.9 |
5.7 |
8.6 |
11.5 |
16.4 |
27.4 |
- |
- |
|
4000RPM |
2.2 |
4.3 |
6.5 |
8.60 |
12.4 |
20.5 |
- |
- |
|
Model number |
Motor type |
Type of reducer |
Ratio |
L |
|
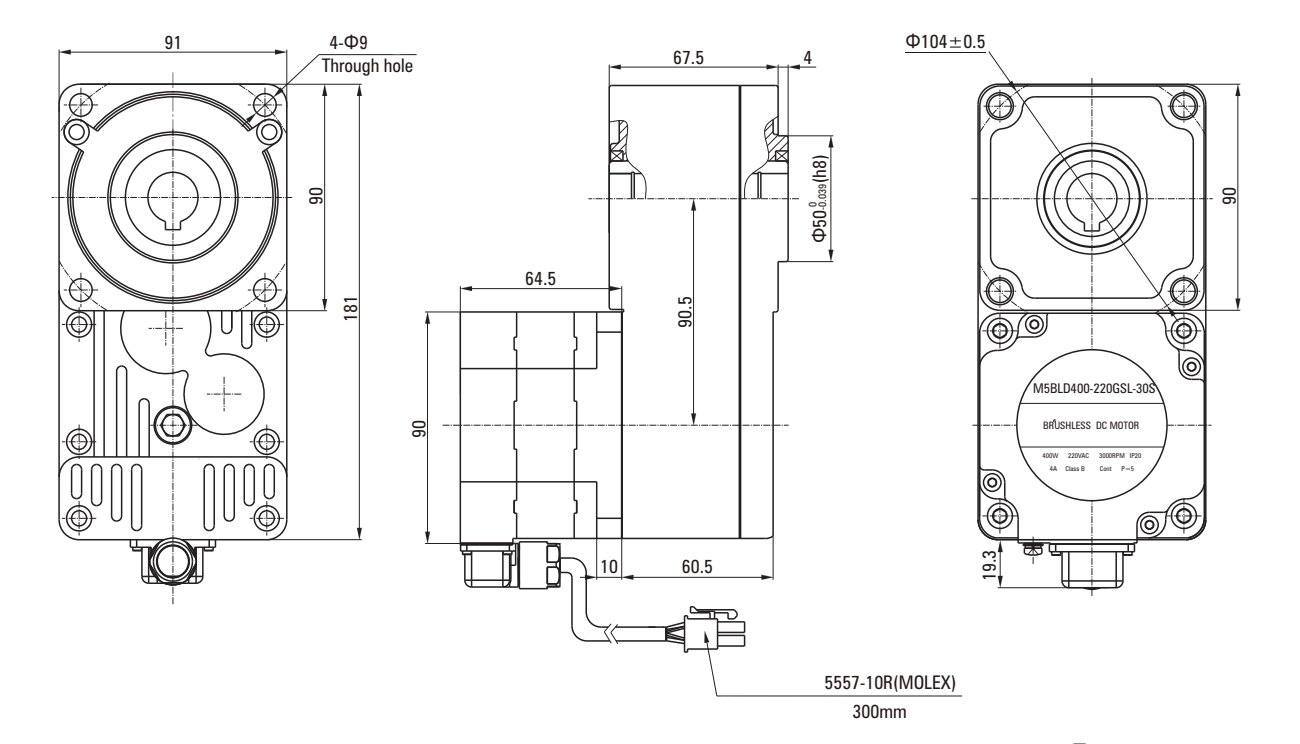
M5BLD400-220GSL-30S/5GU□SL |
M5BLD400-220GSL-30S |
5GU□SL |
5~50 |
67.5 |
|
Output power |
Ratio |
5 |
7.5 |
10 |
15 |
20 |
25 |
30 |
40 |
50 |
|
400W |
80~2000r/min |
6.97 |
10.46 |
13.94 |
20.91 |
27.89 |
34.86 |
41.83 |
46.48 |
46.48 |
|
3000r/min |
4.65 |
6.97 |
9.30 |
13.94 |
18.59 |
23.24 |
27.89 |
37.18 |
46.48 |
|
|
4000r/min |
3.49 |
5.23 |
6.97 |
10.46 |
13.94 |
17.43 |
20.91 |
27.89 |
34.86 |

