Motor Type: M6BLD
Power: 200W&400W&750W
Voltage: 220V
Gearbox Ratio: 400W 5-50K (In-line)
200W 5-200K (In-line)
5-50K (L Type)
|
Model number |
Motor type |
Type of reducer |
Ratio |
L |
L1 |
|
M6BLD200-220GV-30S/6GU□V |
M6BLD200-220GV-30S |
6GU□V |
5~20 |
60 |
61.5 |
|
30~50 |
72 |
||||
|
100~200 |
86 |
||||
|
M6BLD400-220GV-30S/6GU□V |
M6BLD400-220GV-30S |
6GU□V |
5~20 |
60 |
73.5 |
|
30~50 |
72 |
|
Output power |
Ratio Motor speed |
5 |
10 |
15 |
20 |
30 |
50 |
100 |
200 |
|
200W |
80~2000RPM |
2.9 |
5.7 |
8.6 |
11.5 |
16.4 |
27.4 |
51.6 |
70.0 |
|
4000RPM |
2.2 |
4.3 |
6.5 |
8.60 |
12.4 |
20.5 |
38.9 |
63.0 |
|
|
400W |
80~3000RPM |
5.7 |
11.4 |
17.1 |
22.9 |
32.8 |
54.6 |
- |
- |
|
4000RPM |
4.3 |
8.60 |
12.9 |
17.2 |
24.6 |
41.1 |
- |
- |
|
Model number |
Motortype |
Type of reducer |
Ratio |
L |
|
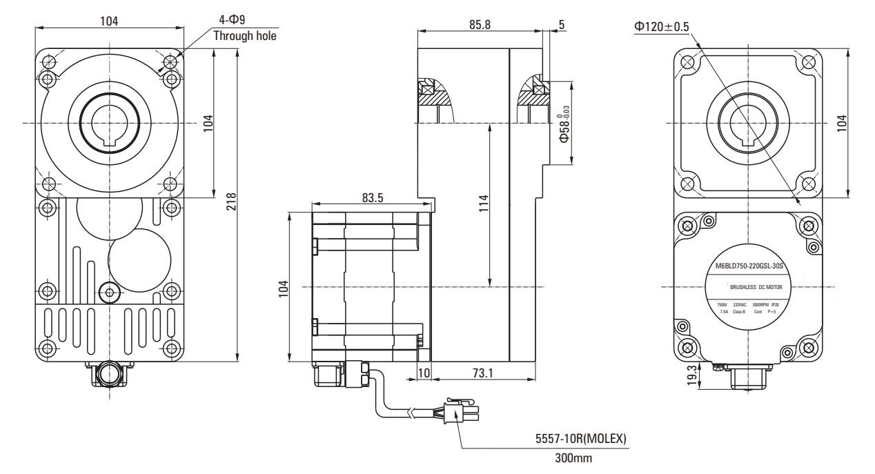
M6BLD750-220GSL-30S/6GU□SL |
M6BLD750-220GSL-30S |
6GU□SL |
5~50 |
85.8 |
|
Output power |
Ratio |
5 |
7.5 |
10 |
15 |
20 |
25 |
30 |
40 |
50 |
|
750W |
80~2000r/min时 |
13.07 |
19.61 |
26.14 |
39.21 |
52.29 |
65.36 |
78.43 |
87.14 |
87.14 |
|
3000r/min时 |
8.71 |
13.07 |
17.43 |
26.14 |
34.86 |
43.57 |
52.29 |
69.72 |
87.14 |
|
|
4000r/min时 |
6.54 |
9.80 |
13.07 |
19.61 |
26.14 |
32.68 |
39.21 |
52.29 |
65.36 |

