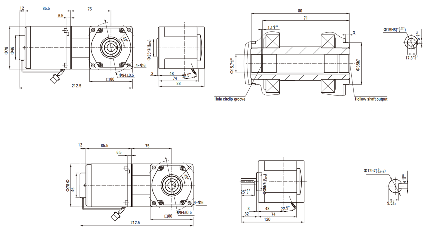
Motor Type: 4IK
Power: 25W
Voltage: 110-380V
Gearbox Ratio: 3-180K
|
Model ·Type Lead Wire Type |
Output power W |
Voltage V |
Frequency Hz |
Speed Control Range r/min |
Allowance Torque |
Starting Torque mN.m |
Current A |
Capacitor μF |
|
|
Pinion Shaft |
1200r/min mN.m |
90r/min mN.m |
|||||||
|
4IK25RGN-A |
25 |
1ph 100 |
50 |
90~1400 |
190 |
47 |
88 |
0.50 |
8.0 |
|
60 |
90~1700 |
0.55 |
|||||||
|
41K25RGN-E |
25 |
1ph 110 |
60 |
90~1700 |
190 |
50 |
105 |
0.45 |
7.0 |
|
1ph 120 |
0.50 |
||||||||
|
41K25RGN-C |
25 |
1ph 220 |
50 |
90~1400 |
190 |
47 |
88 |
0.25 |
1.8 |
|
1ph 230 |
0.23 |
||||||||
|
4IK25RGN-H |
25 |
1ph 220 |
60 |
90~1700 |
190 |
45 |
88 |
0.23 |
1.8 |
|
1ph 230 |
|||||||||
|
Type Motor/Gearhead |
Gear Ratio |
3 |
5 |
7.5 |
9 |
10 |
12.5 |
15 |
18 |
20 |
25 |
30 |
36 |
50 |
60 |
75 |
90 |
100 |
120 |
150 |
180 |
||
|
Speed r/min |
50Hz |
500 |
300 |
200 |
166 |
150 |
120 |
100 |
83 |
75 |
60 |
50 |
42 |
30 |
25 |
20 |
16 |
15 |
12 |
10 |
8 |
||
|
60Hz |
600 |
360 |
240 |
200 |
180 |
144 |
120 |
100 |
90 |
72 |
60 |
50 |
36 |
30 |
24 |
20 |
18 |
15 |
12 |
10 |
|||
|
4IK25RGN-A□ 4IK25RGNE□ 4IK25RGN-C□ 4IK25RGNH□ |
4GNORC 4GN□RT |
Allowance Torque |
50Hz |
0.31 |
0.52 |
0.99 |
1.04 |
1.16 |
1.64 |
1.97 |
2.09 |
2.32 |
3.29 |
3.95 |
4.73 |
6.58 |
7.10 |
8.00 |
8.00 |
8.00 |
8.00 |
8.00 |
8.00 |
|
3.07 |
5.12 |
10.1 |
10.2 |
11.37 |
16.8 |
20.1 |
20.5 |
22.74 |
33.5 |
40.3 |
48.3 |
67.1 |
72.5 |
80.0 |
80.0 |
80.0 |
80.0 |
80.0 |
80.0 |
||||
|
60Hz |
0.26 |
0.44 |
0.80 |
0.87 |
0.97 |
1.33 |
1.59 |
1.74 |
1.93 |
2.65 |
3.18 |
3.82 |
5.30 |
5.73 |
7.16 |
8.00 |
8.00 |
8.00 |
8.00 |
8.00 |
|||
|
2.56 |
4.26 |
8.12 |
8.53 |
9.48 |
13.5 |
16.2 |
17.1 |
18.95 |
27.1 |
32.5 |
39.0 |
54.1 |
58.4 |
73.0 |
80.0 |
80.0 |
80.0 |
80.0 |
80.0 |
||||
