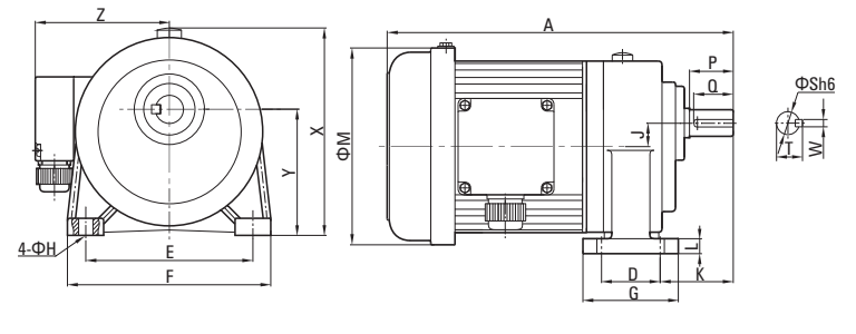
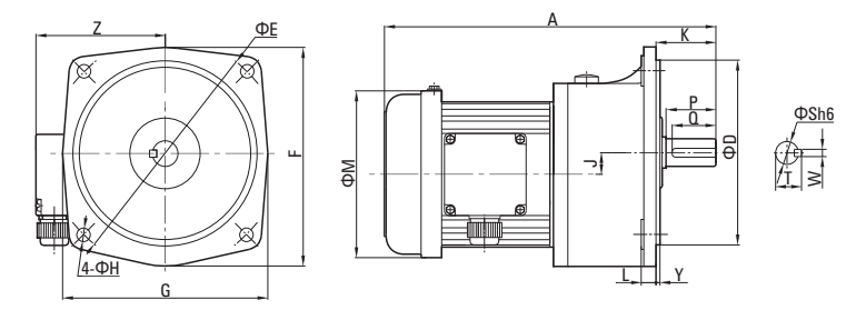
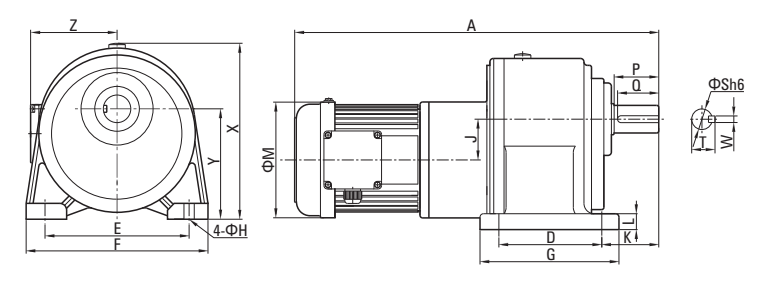
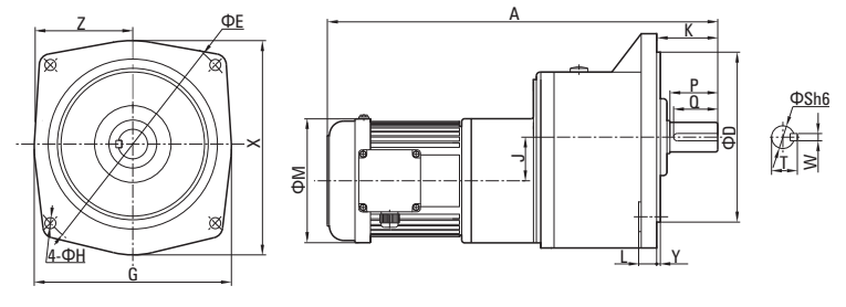
Motor Type: Horizontal & Vertical
Power:1/8HP
Voltage:1-Phase&3-Phase 220-380V
Gearbox Ratio:3-1800
|
Power |
Box Number |
Ratio |
A |
D |
E |
F |
G |
H |
J |
K |
L |
M |
X |
Y |
Z |
S |
P |
Q |
W |
T |
Weight |
|
100W 1/8HP |
1# |
3-50 Standard type |
254 |
40(50) |
110(140) |
135(120) |
65(120) |
9 |
16 |
50(39.5) |
10(12) |
130.5 |
143(/) |
88.5(2) |
100 |
18 |
30 |
27 |
5 |
20.2 |
5.7 |
|
60-200 Light duty type |
254 |
40(50) |
110(140) |
135(120) |
65(120) |
9 |
16 |
50(39.5) |
10(12) |
130.5 |
143(/) |
88.5(2) |
100 |
18 |
30 |
27 |
5 |
20.2 |
5.7 |
||
|
2# |
60-200 Standard type |
281 |
65(148) |
130(185) |
158(175) |
90(165) |
12 |
17.5 |
60(48) |
13(12) |
130.5 |
161(/) |
97.5(3) |
100 |
22 |
40 |
35 |
7 |
25 |
7.30 |
|
|
250-1800 Light duty type (1#+2#) |
341 |
65(148) |
130(185) |
158(175) |
90(165) |
12 |
33.5 |
60(48) |
13(12) |
130.5 |
161(/) |
97.5(3) |
100 |
22 |
40 |
35 |
7 |
25 |
12.0 |
||
|
3# |
250-1800 Standard type (1#+3#)
|
376 |
90(170) |
140(220) |
178(205) |
120(195) |
12 |
39 |
68(58) |
17(13) |
130.5 |
184(/) |
116(3) |
100 |
28 |
45 |
40 |
7 |
31.1 |
14.5 |
|
|
/ |
/ |
/ |
/ |
/ |
/ |
/ |
/ |
/ |
/ |
/ |
/ |
/ |
/ |
/ |
/ |
/ |
/ |
/ |
|
Power |
Box Number |
Type |
Speed frequency ratio |
3 |
5 |
10 |
15 |
20 |
25 |
30 |
40 |
45 |
50 |
60 |
70 |
80 |
90 |
100 |
120 |
140 |
160 |
180 |
200 |
|
100W 1/8HP |
1# |
Standard type |
50Hz |
0.20 |
0.30 |
0.60 |
0.80 |
1.10 |
1.40 |
1.70 |
2.30 |
2.50 |
2.80 |
/ |
/ |
/ |
/ |
/ |
/ |
/ |
/ |
/ |
/ |
|
60Hz |
0.16 |
0.26 |
0.52 |
0.76 |
1.0 |
1.20 |
1.50 |
1.90 |
2.20 |
2.30 |
/ |
/ |
/ |
/ |
/ |
/ |
/ |
/ |
/ |
/ |
|||
|
Light duty type |
50Hz |
/ |
/ |
/ |
/ |
/ |
/ |
/ |
/ |
/ |
/ |
3.40 |
3.40 |
3.40 |
3.40 |
3.40 |
3.40 |
3.40 |
3.40 |
3.40 |
3.40 |
||
|
60Hz |
/ |
/ |
/ |
/ |
/ |
/ |
/ |
/ |
/ |
/ |
3.40 |
3.40 |
3.40 |
3.40 |
3.40 |
3.40 |
3.40 |
3.40 |
3.40 |
3.40 |
|||
|
2# |
Standard type |
50Hz |
/ |
/ |
/ |
/ |
/ |
/ |
/ |
/ |
/ |
/ |
3.40 |
3.90 |
4.50 |
5.10 |
5.60 |
6.80 |
7.90 |
9.00 |
10.1 |
11.3 |
|
|
60Hz |
/ |
/ |
/ |
/ |
/ |
/ |
/ |
/ |
/ |
/ |
2.80 |
3.30 |
3.70 |
4.20 |
4.60 |
5.60 |
6.50 |
7.40 |
8.40 |
9.30 |
|||
|
Light duty type |
50Hz |
/ |
/ |
/ |
/ |
/ |
/ |
/ |
/ |
/ |
/ |
/ |
/ |
/ |
/ |
/ |
/ |
/ |
/ |
/ |
/ |
||
|
60Hz |
/ |
/ |
/ |
/ |
/ |
/ |
/ |
/ |
/ |
/ |
/ |
/ |
/ |
/ |
/ |
/ |
/ |
/ |
/ |
/ |
|
Power |
Box Number |
Type |
Speed frequency ratio |
250 |
300 |
350 |
400 |
450 |
500 |
600 |
700 |
800 |
900 |
1000 |
1100 |
1200 |
1300 |
1400 |
1500 |
1600 |
1700 |
1800 |
|
|
100W 1 /8HP |
1#+2# |
Light duty type |
50Hz |
11.6 |
11.6 |
11.6 |
11.6 |
11.6 |
11.6 |
11.6 |
11.6 |
11.6 |
11.6 |
11.6 |
11.6 |
11.6 |
11.6 |
11.6 |
11.6 |
11.6 |
11.6 |
11.6 |
|
|
60Hz |
11.6 |
11.6 |
11.6 |
11.6 |
11.6 |
11.6 |
11.6 |
11.6 |
11.6 |
11.6 |
11.6 |
11.6 |
11.6 |
11.6 |
11.6 |
11.6 |
11.6 |
11.6 |
11.6 |
||||
|
1#+3# |
Standard type |
50Hz |
11.2 |
11.2 |
11.2 |
11.2 |
11.2 |
11.2 |
22.9 |
22.9 |
22.9 |
22.9 |
22.9 |
22.9 |
22.9 |
22.9 |
22.9 |
22.9 |
22.9 |
22.9 |
22.9 |
||
|
60Hz |
11.2 |
11.2 |
11.2 |
11.2 |
11.2 |
11.2 |
22.9 |
22.9 |
22.9 |
22.9 |
22.9 |
22.9 |
22.9 |
22.9 |
22.9 |
22.9 |
22.9 |
22.9 |
22.9 |
||||



