Motor Type: Horizonal&Vertical
Power: 1/2HP
Voltage: 1-Phase&3-Phase 220-380V
Gearbox Ratio:3-1800
|
Power |
Box Number |
Ratio |
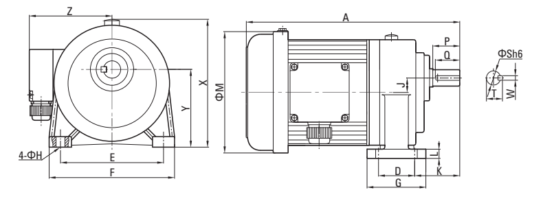
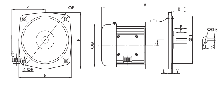
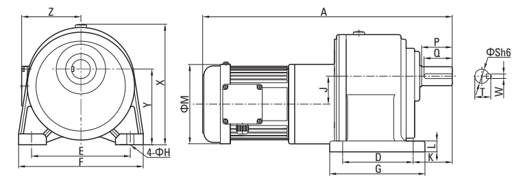
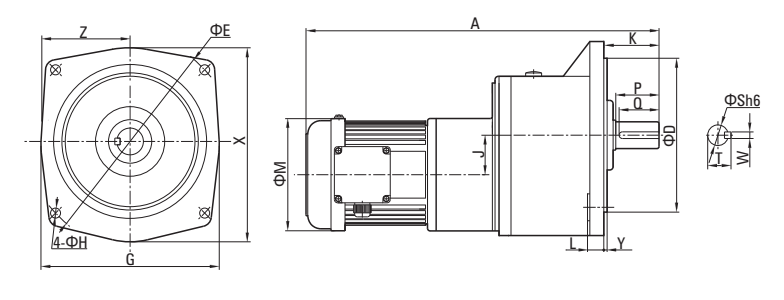
A |
D |
E |
F |
G |
H |
J |
K |
L |
M |
X |
Y |
Z |
S |
P |
Q |
W |
T |
Weight |
|
400W 1/2HP |
2# |
3-10 Standard type |
320 |
65(148) |
130(185) |
158(175) |
90(165) |
12 |
17.5 |
60(48) |
13(12) |
146 |
168(/) |
97.5(3) |
114 |
22 |
40 |
35 |
7 |
25 |
11.5 |
|
15-90 Light duty type |
320 |
65(148) |
130(185) |
158(175) |
90(165) |
12 |
17.5 |
60(48) |
13(12) |
146 |
168(/) |
97.5(3) |
114 |
22 |
40 |
35 |
7 |
25 |
11.5 |
||
|
3# |
15-90 Standard type |
352 |
90(170) |
140(220) |
178(205) |
120(195) |
12 |
23 |
68(58) |
17(13) |
146 |
184(/) |
116(3) |
114 |
28 |
45 |
40 |
7 |
31.1 |
14.0 |
|
|
100-200 Light duty type |
352 |
90(170) |
140(220) |
178(205) |
120(195) |
12 |
23 |
68(58) |
17(13) |
146 |
184(/) |
116(3) |
114 |
28 |
45 |
40 |
7 |
31.1 |
14.0 |
||
|
4# |
100-200 Standard type |
396 |
130(185) |
170(255) |
210(239) |
165(216) |
13 |
30.0 |
70(66.5) |
18(13) |
146 |
216(/) |
138.5(3) |
114 |
32 |
55 |
50 |
10 |
35.5 |
27.0 |
|
|
250-1800 Light duty type (2#+4#) |
469 |
130(185) |
170(255) |
210(239) |
165(216) |
13 |
47.5 |
70(66.5) |
18(13) |
146 |
216(/) |
138.5(3) |
114 |
32 |
55 |
50 |
10 |
35.5 |
30.0 |
||
|
5# |
250-1800 Standard type (3#+5#) |
539 |
150(230) |
210(310) |
265(277) |
203(255) |
15 |
59 |
83 |
20(18) |
146 |
255(/) |
160(5) |
114 |
40 |
65 |
60 |
10 |
43.5 |
46.0 |
|
|
Light duty type |
/ |
/ |
/ |
/ |
/ |
/ |
/ |
/ |
/ |
/ |
/ |
/ |
/ |
/ |
/ |
/ |
/ |
/ |
/ |
|
Power |
Box Number |
Type |
Speed frequency ratio |
3 |
5 |
10 |
15 |
20 |
25 |
30 |
40 |
45 |
50 |
60 |
70 |
80 |
90 |
100 |
120 |
140 |
160 |
180 |
200 |
|
400W 1/2HP |
2# |
Standard type |
50Hz |
0.70 |
1.10 |
2.30 |
/ |
/ |
/ |
/ |
/ |
/ |
/ |
/ |
/ |
/ |
/ |
/ |
/ |
/ |
/ |
/ |
/ |
|
60Hz |
0.60 |
0.90 |
1.90 |
/ |
/ |
/ |
/ |
/ |
/ |
/ |
/ |
/ |
/ |
/ |
/ |
/ |
/ |
/ |
/ |
/ |
|||
|
Light duty type |
50Hz |
/ |
/ |
/ |
3.00 |
4.10 |
5.10 |
6.10 |
8.10 |
9.10 |
10.1 |
10.3 |
10.3 |
10.3 |
10.3 |
/ |
/ |
/ |
/ |
/ |
/ |
||
|
60Hz |
/ |
/ |
/ |
2.50 |
3.30 |
4.20 |
5.00 |
6.70 |
7.50 |
8.40 |
10.3 |
10.3 |
10.3 |
10.3 |
/ |
/ |
/ |
/ |
/ |
/ |
|||
|
3# |
Standard type |
50Hz |
/ |
/ |
/ |
3.40 |
4.50 |
5.60 |
6.10 |
8.10 |
9.10 |
10.1 |
12.2 |
14.2 |
16.2 |
18.3 |
/ |
/ |
/ |
/ |
/ |
/ |
|
|
60Hz |
/ |
/ |
/ |
2.80 |
3.70 |
4.60 |
5.0 |
6.70 |
7.50 |
8.40 |
10.0 |
11.7 |
13.4 |
15.0 |
/ |
/ |
/ |
/ |
/ |
/ |
|||
|
Light duty type |
50Hz |
/ |
/ |
/ |
/ |
/ |
/ |
/ |
/ |
/ |
/ |
/ |
/ |
/ |
/ |
20.3 |
22.9 |
22.9 |
22.9 |
22.9 |
22.9 |
||
|
60Hz |
/ |
/ |
/ |
/ |
/ |
/ |
/ |
/ |
/ |
/ |
/ |
/ |
/ |
/ |
16.7 |
20.1 |
22.9 |
22.9 |
22.9 |
22.9 |
|||
|
4# |
Standard type |
50Hz |
/ |
/ |
/ |
/ |
/ |
/ |
/ |
/ |
/ |
/ |
/ |
/ |
/ |
/ |
20.3 |
24.4 |
28.4 |
32.5 |
36.5 |
40.6 |
|
|
60Hz |
/ |
/ |
/ |
/ |
/ |
/ |
/ |
/ |
/ |
/ |
/ |
/ |
/ |
/ |
16.7 |
20.1 |
23.4 |
26.7 |
30.1 |
33.4 |
|||
|
Light duty type |
50Hz |
/ |
/ |
/ |
/ |
/ |
/ |
/ |
/ |
/ |
/ |
/ |
/ |
/ |
/ |
/ |
/ |
/ |
/ |
/ |
/ |
||
|
60Hz |
/ |
/ |
/ |
/ |
/ |
/ |
/ |
/ |
/ |
/ |
/ |
/ |
/ |
/ |
/ |
/ |
/ |
/ |
/ |
/ |
|
Power |
Box Number |
Type |
Speed frequency ratio |
250 |
300 |
350 |
400 |
450 |
500 |
600 |
700 |
800 |
900 |
1000 |
1100 |
1200 |
1300 |
1400 |
1500 |
1600 |
1700 |
1800 |
|
400W 1/2HP |
2#+4# |
Light duty type |
50Hz |
27.1 |
27.1 |
27.1 |
27.1 |
27.1 |
27.1 |
27.1 |
51.8 |
51.8 |
51.8 |
51.8 |
51.8 |
51.8 |
51.8 |
51.8 |
51.8 |
51.8 |
51.8 |
51.8 |
|
60Hz |
27.1 |
27.1 |
27.1 |
27.1 |
27.1 |
27.1 |
27.1 |
51.8 |
51.8 |
51.8 |
51.8 |
51.8 |
51.8 |
51.8 |
51.8 |
51.8 |
51.8 |
51.8 |
51.8 |
|||
|
3#+5# |
Standard type |
50Hz |
52.0 |
52.0 |
52.0 |
52.0 |
52.0 |
52.0 |
52.0 |
52.0 |
52.0 |
83.7 |
83.7 |
83.7 |
83.7 |
83.7 |
83.7 |
83.7 |
83.7 |
83.7 |
83.7 |
|
|
60Hz |
52.0 |
52.0 |
52.0 |
52.0 |
52.0 |
52.0 |
52.0 |
52.0 |
52.0 |
83.7 |
83.7 |
83.7 |
83.7 |
83.7 |
83.7 |
83.7 |
83.7 |
83.7 |
83.7 |



